Качественные детали и логистика
Оригинальные и аналоговые запчасти с доставкой по России, Казахстану и Беларуси
©2022 PartSell ООО "Система" ИНН 2463123282 ОГРН 1212400004838
Центральный офис: г. Красноярск, Академика Киренского, д.87, пом.4
Телефон: 8 (800) 777-65-74 Email: zakaz@partsell.ru
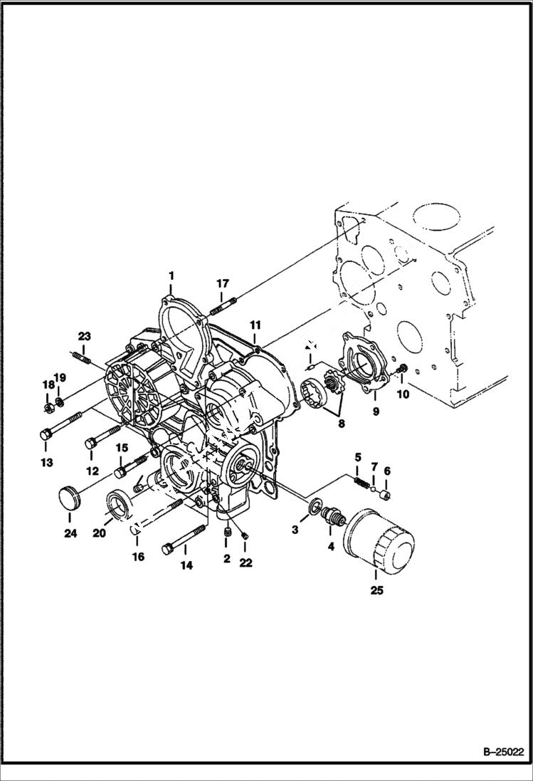
GEAR CASE (Kubota D1005 Tier II) (S/N 538911001 & Above, 539011001 & Above)
№
Артикул
Название
Примечание
Количество
1
6680261
GEARCASE ASSY W/Ref. 2-10
6691298
CASE W/Ref. 2-10
2
6672360
PLUG
3
15EM180
WASHER
4
6652597
ADAPTER
5
6657554
SPRING
6
6657553
SEAT
7
6657426
BALL
8
6657549
ROTOR ASSY oil pump
9
6672361
COVER oil pump
10
6680262
BOLT
11
6657479
GASKET gearcase - Was 6672362 - A
12
6657412
13
6670770
14
6657413
15
6652594
16
6657589
17
6680263
STUD
18
1DM6
NUT
19
6667419
20
6657603
SEAL
21
6686174
PIN
22
6652574
23
6680264
24
6672363
COVER
25
6657635
FILTER, OIL ENG
Выбрано товаров: 0