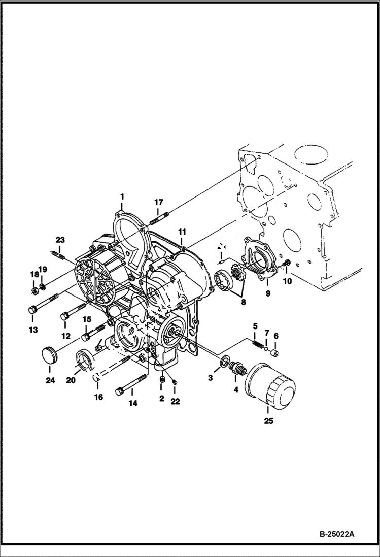
Запчасти Bobcat 400s GEAR CASE (Kubota - D1005-E3B-BC-3)(Tier IV Replacement) REPLACEMENT ENGINE

Схема запчастей Bobcat 400s - GEAR CASE (Kubota - D1005-E3B-BC-3)(Tier IV Replacement) REPLACEMENT ENGINE
FIT
1:1
100%

Артикул

Название

Примечание

Количество

1

6691298

CASE W/Ref. 2 - 10

2

6672360

PLUG

3

15EM180

WASHER

4

6652597

ADAPTER

5

6657554

SPRING

6

6657553

SEAT

7

6657426

BALL

8

6657549

ROTOR ASSY oil pump

9

6686173

COVER oil pump

10

6680262

BOLT

11

6657479

GASKET

12

6657412

BOLT

13

6670770

BOLT

14

6657413

BOLT

15

6652594

BOLT

16

6657589

BOLT

17

6680263

STUD

18

1DM6

NUT

18

6670533

NUT Was 6969818 - A

19

6667419

WASHER

20

6657603

SEAL

21

6686174

PIN

22

6652574

PLUG

23

6680264

STUD

24

6681662

COVER gear case

25

6657635

FILTER, OIL ENG

Выбрано товаров: 0