Запчасти Bobcat 400s WATER FLANGE & THERMOSTAT (Kubota - D1005-E3B-BC-3)(Tier IV Replacement) REPLACEMENT ENGINE

Схема запчастей Bobcat 400s - WATER FLANGE & THERMOSTAT (Kubota - D1005-E3B-BC-3)(Tier IV Replacement) REPLACEMENT ENGINE
FIT
1:1
100%

Артикул

Название

Примечание

Количество

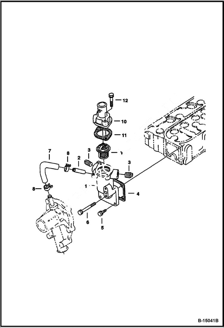
1

6672482

FLANGE W/Ref. 2

2

6670785

PIPE

3

6684857

PLUG

4

6657583

GASKET

5

1CM616

SCREW Was 4CM616 - A

6

6657413

BOLT

7

6657584

PIPE

8

6680580

CLAMP

9

6674172

THERMOSTAT

10

6672479

COVER

11

6684863

GASKET

12

1CM835

BOLT

Выбрано товаров: 0