Запчасти Bobcat 400s FUEL SYSTEM MAIN FRAME

Схема запчастей Bobcat 400s - FUEL SYSTEM MAIN FRAME
FIT
1:1
100%

Артикул

Название

Примечание

Количество

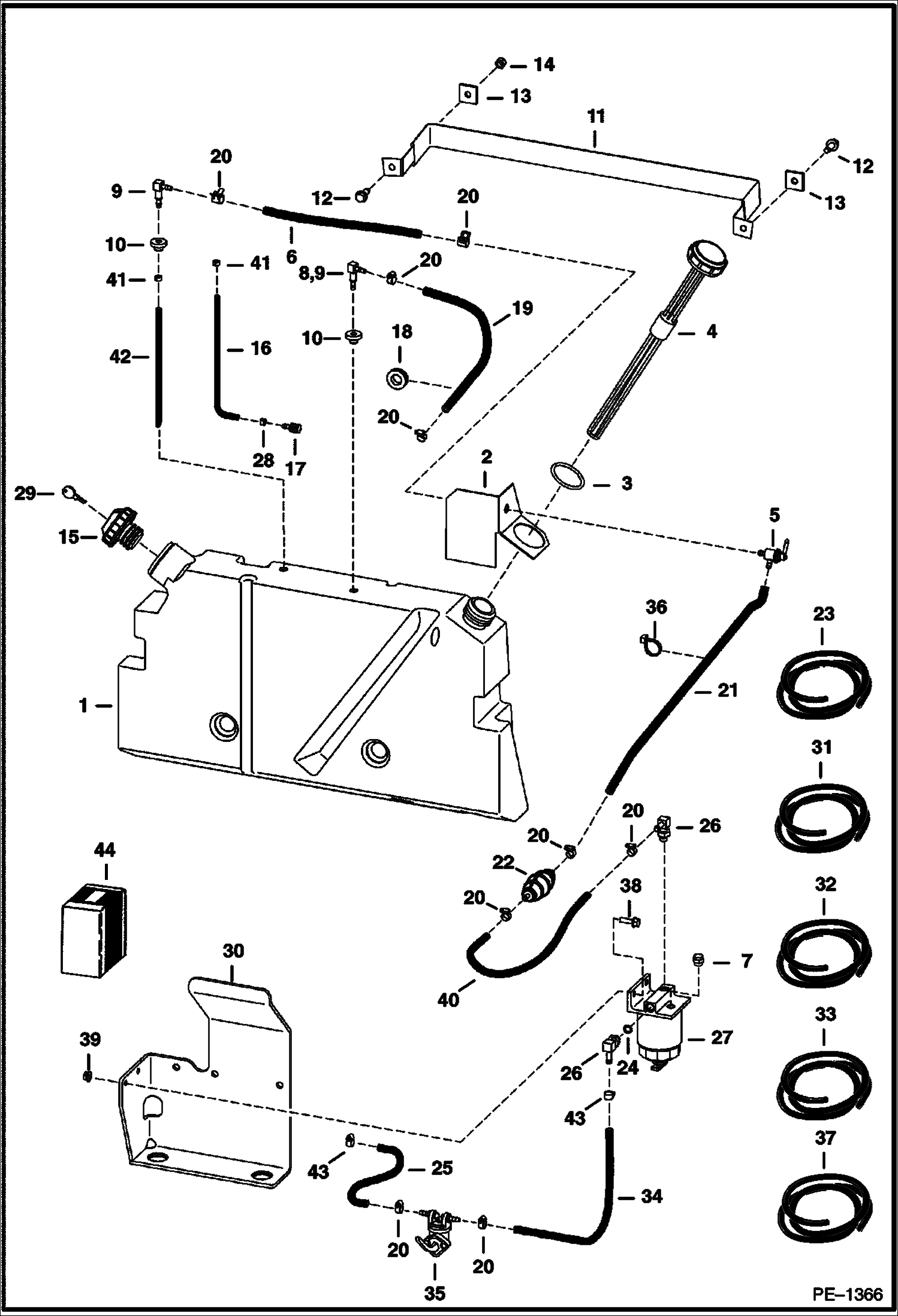
1

6733225

TANK Was 6708327 - A

2

6564038

MOUNT

3

25K60204

O RING 10

4

6598910

GAUGE

5

6599455

VALVE shut-off

6

HOSE NLA - 13.00'' (325 mm) - Order Ref. 37

7

6658180

PLUG, BLEED

8

6630041

ELBOW (1) small end barb (1) large end barb

9

6598908

ELBOW double small ended barbs - Was 6681462 - A

10

6553411

BUSHING 0.38'' ID

11

6564037

BAND

11

6728472

INSULATION

12

84G3716

SCREW 5

13

6559447

WASHER

14

61D6

NUT 5

15

6661114

CAP. DIESEL green

15

6661696

CAP, FUEL LOCKING locking - W/Ref. 29 - Was 6654373 - A

16

HOSE NLA - 14.75'' (375 mm) - Order 2 of 6569752

17

6650239

SCREEN, FUEL PICKUP wire coiled - Use W/Ref. 16

18

1023368

GROMMET

19

HOSE NLA - Order Ref. 37

20

42HS04

CLAMP, HOSE Was 6515575 - A

20

5HM13

CLAMP constant tension

21

HOSE NLA - Order Ref. 37

22

6657734

PUMP, PRIMER HAND 124 mm (4.88'') long

23

6563505

CONDUIT bulk 5/8'' (15,8 mm) ID - Sold Per Foot

24

79K5

O RING 10 flat boss face

24

99K5

O-RING tapered boss face

25

HOSE NLA - Order Ref. 37

26

ELBOW NLA - W/Ref. 24 - flat boss face - Was 6657083 - A

26

6715183

ELBOW W/Ref. 24 - check boss face to determine correct replacement 0-ring

27

6667353

FILTER ASSY W/Ref. 7

27

6667352

FILTER, FUEL W/SEPARATOR 12

27

72F1

FITTING

28

6661213

RING, COMPRESSION .324'' ID

29

6654374

KEY

30

6713672

MOUNT Engine

31

6565434

CONDUIT bulk 1/2'' (12,7 mm) I.D. - Sold Per Foot

32

6578169

HOSE bulk - sold per foot - 0.19'' ID

33

6577822

HOSE bulk - sold per foot

34

HOSE NLA - 14'' (356 mm) - Order Ref. 37

35

FUEL PUMP See Illustration FUEL & INJECTION PUMP/ B16469

36

6624289

STRAP, TIE

37

6577821

HOSE bulk - sold per foot

38

17C516

BOLT Was 35C000516B - B

39

57D5

NUT

40

HOSE NLA - Order Ref. 37

41

6661213

RING, COMPRESSION .324'' ID

42

6729855

HOSE 15.125'' (384,2 mm) long

43

5HM14

CLAMP

Выбрано товаров: 0