Запчасти Bobcat 400s HEATER - PERRIN ACCESSORIES & OPTIONS

Схема запчастей Bobcat 400s - HEATER - PERRIN ACCESSORIES & OPTIONS
FIT
1:1
100%

Артикул

Название

Примечание

Количество

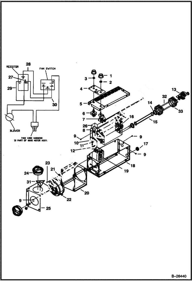
1

6660822

KNOB

2

6685904

NUT

3

6624435

NUT

4

6685905

DECAL

5

6685906

COVER

6

6660659

SWITCH

7

6685907

CABLE CONTROL ASSY

8

6685908

BRACKET COIL

9

6672982

BOLT

10

6674110

NUT

11

6654195

BOLT

12

6632584

RESISTOR

13

6654792

VALVE

14

5HM23

CLAMP

15

6685909

HEATER HOSE

16

6685910

HEATER COIL

17

6641055

GROMMET

18

HOUSING NSS

19

6660656

DECAL

20

BLOWER HOUSING NSS

21

6654196

GROMMET

22

6685911

FAN MOTOR ASSY

23

6685912

SCREW

24

6685913

LOUVER

25

BLOWER HOUSING LID NSS

26

6685914

SEAL

27

6660654

CONNECTOR

28

WIRE ASSY NSS- yellow

29

WIRE ASSY NSS- red

30

WIRE ASSY NSS - orange

31

6685915

INSULATION

32

HOSE COVER NSS - 6''

33

CABLE TIES NSS

Выбрано товаров: 33