Запчасти Bobcat 400s AXLE DRIVE TRAIN

Схема запчастей Bobcat 400s - AXLE DRIVE TRAIN
FIT
1:1
100%

Артикул

Название

Примечание

Количество

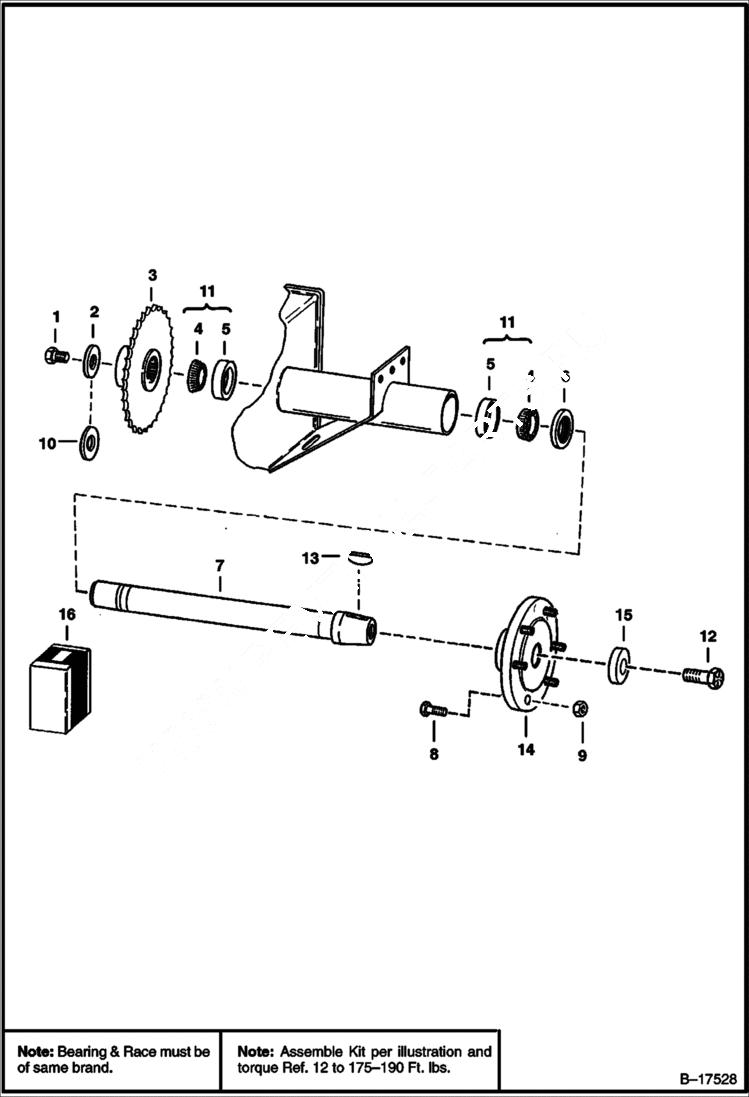
1

18C1024

BOLT

1

48C1024

BOLT pre-applied loctite

2

6563795

WASHER

3

7134079

SPROCKET, AXLE Was 6563798 - A

4

BEARING NSS - See Note - Order Ref. 11

5

RACE NSS - See Note - Order Ref. 11

6

6598829

SEAL, OIL

7

6706032

SHAFT, AXLE

8

STUD NLA - Order 6679105 - Was 6506362 - A

8

6679105

STUD shaft 1.5'' (38,1 mm) long

9

6561152

NUT

10

6592765

WASHER recessed - To take up end play

11

6633672

BEARING, ROLLER W/Race

12

18C1228

BOLT

12

48C1228

BOLT pre-applied loctite

13

6J1210

KEY

14

6706031

HUB W/Ref. 8

15

6552871

WASHER

16

6722929

KIT W/Ref. 7, 12-15

Выбрано товаров: 19