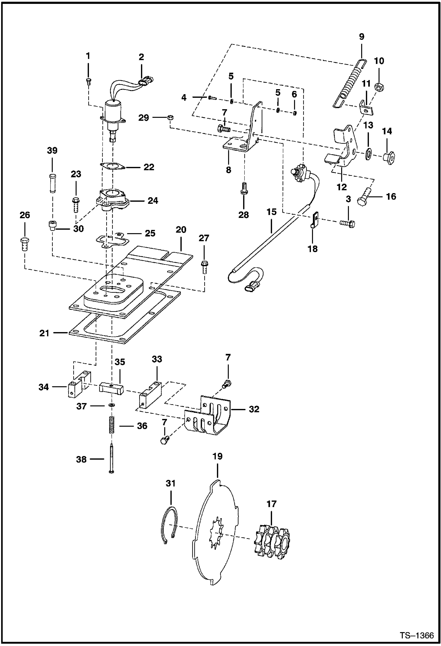
Запчасти Bobcat 400s BRAKES (S/N 5200 11710 & Below, 5199 11424 & Below) DRIVE TRAIN

Схема запчастей Bobcat 400s - BRAKES (S/N 5200 11710 & Below, 5199 11424 & Below) DRIVE TRAIN
FIT
1:1
100%

Артикул

Название

Примечание

Количество

1

17C412

BOLT 5

2

6681512

SOLENOID Was 6667992 - A

3

84G3712

BOLT 5

4

23G812

SCREW

5

25E8

WSHR

6

12D8

NUT

7

17C610

BOLT

7

43C610

BOLT pre-applied thread locker

8

6707313

PEDAL MOUNT

9

6585860

SPRING

10

95D6

NUT

11

6707315

ANGLE

12

6707314

PEDAL brake

13

6700170

WASHER plastic

14

6559479

NUT

15

6707337

SWITCH, LOCK TRACTION

16

17C620

BOLT

17

SPROCKET See Illustration DRIVE TRAIN/ C2807

18

30H23

CLAMP

19

6706736

BRAKE disc

20

6706684

COVER

21

6593418

GASKET

22

6706737

GASKET

23

84G3720

BOLT

24

6706718

MOUNT

25

6708016

GASKET

26

17C820

BOLT

26

47C820

BOLT

27

84G3716

SCREW 5

28

37C616

BOLT

29

89D6

NUT

30

6553411

BUSHING

31

791442

SNAP RING

32

6708787

GUIDE

33

6705898

BLOCK guide - R.H.

34

6705897

BLOCK guide - L.H.

35

6705896

GUIDE

36

6708018

SPRING

37

25E13

WASHER 5

38

6708267

BOLT

39

6680970

BREATHER Was 6646626 - A

Выбрано товаров: 41