Качественные детали и логистика
Оригинальные и аналоговые запчасти с доставкой по России, Казахстану и Беларуси
©2022 PartSell ООО "Система" ИНН 2463123282 ОГРН 1212400004838
Центральный офис: г. Красноярск, Академика Киренского, д.87, пом.4
Телефон: 8 (800) 777-65-74 Email: zakaz@partsell.ru
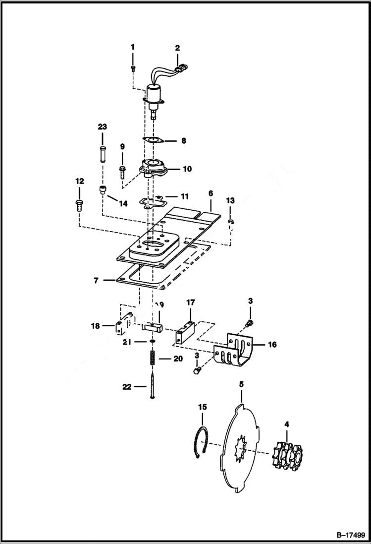
BRAKES (S/N 5200 11711 & Above, 5199 11425 & Above)
№
Артикул
Название
Примечание
Количество
1
17C412
BOLT 5
2
6681512
SOLENOID Was 6667992 - A
3
43C610
BOLT pre-applied thread locker
4
SPROCKET See Illustration DRIVE TRAIN/ C2807
5
6706736
BRAKE disc
6
6706684
COVER
7
6593418
GASKET
8
6706737
9
84G3720
BOLT
10
6706718
MOUNT
11
6708016
12
17C820
47C820
13
84G3716
SCREW 5
14
6553411
BUSHING
15
791442
SNAP RING
16
6708787
GUIDE
17
6705898
BLOCK guide - R.H.
18
6705897
BLOCK guide - L.H.
19
6705896
20
6708018
SPRING
21
25E13
WASHER 5
22
6708267
23
6680970
BREATHER Was 6670627 - A
Выбрано товаров: 0