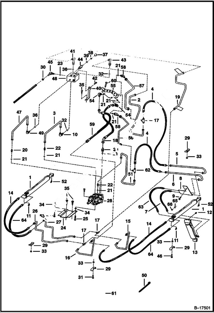
Запчасти Bobcat 400s HYDRAULIC CIRCUITRY (W/ Bucket Positioning Valve) HYDRAULIC SYSTEM

Схема запчастей Bobcat 400s - HYDRAULIC CIRCUITRY (W/ Bucket Positioning Valve) HYDRAULIC SYSTEM
FIT
1:1
100%

Артикул

Название

Примечание

Количество

1

CYLINDER See Illustration LIFT CYLINDER/ B6942 LIFT

2

6706867

TUBELINE

3

6706868

TUBELINE

4

6708501

HOSE

5

6706073

TUBELINE

6

6706072

TUBELINE

7

6728043

HOSE

8

6553422

COVER

9

84G3720

BOLT

10

17K6

ELBOW W/Ref. 32 - flat boss face

10

97K8

O-RING flared end

11

11H15

GREASE FITTING

12

10H25

FITTING, GREASE 5

13

CYLINDER See Illustration TILT CYLINDER/ PE1349 TILT

14

6728044

HOSE

15

6564107

TUBELINE

16

6564108

TUBELINE

17

10K5

TEE

18

6707501

HOSE Was 6564111 - B

19

TUBELINE NLA - Order 6730284 - Was 6706865 - A

19

6730284

TUBELINE available only as an assembly W/two danger decals installed

19

6809511

DECAL, DANGER

20

ADAPTER NLA - W/Ref. 21 - tapered boss face - Was 6717173 - A

20

15KB0610

FITTING, HYD CONNECTOR W/Ref. 21 - flat boss face

21

79K10

O RING 10 flat boss face

21

99K10

O'RING tapered boss face

22

6715184

ADAPTER W/Ref. 21 - tapered boss face

22

15KB0810

FITTING, HYD CONNECTOR W/Ref. 21

22

97K8

O-RING flared end

23

79K5

O RING 10 flat boss face

23

99K5

O-RING tapered boss face

24

MOUNT NLA - Was 6707412 - A

25

17C540

BOLT

26

6564110

TUBELINE

26

6730001

TUBELINE

27

6564109

TUBELINE

27

6730000

TUBELINE

28

VALVE See Illustration HYDRAULIC VALVE/ PE1101

29

6500989

CLAMP

30

42HS04

CLAMP, HOSE Was 6515575 - A

31

37C624

BOLT

32

79K8

O RING 10 flat boss face

32

99K8

O-RING tapered boss face

33

95D6

NUT

34

95D5

NUT

35

84G3716

SCREW 5

36

79K6

O RING 10 flat boss face

36

99K6

O RING tapered boss face

37

KNOB NLA - Red - round - Lift Lock Valve - Order 6737524 knob - Was 6664858 - A

37

6737524

KNOB red - square - lift lock valve - Was 6668913

38

7D4

NUT

39

6707101

SEAL

40

6707413

BRACKET

41

6558510

ELBOW W/Ref. 36 - flat boss face

41

ELBOW NLA - W/Ref. 36 - flat boss face - Was 6715188 - A

41

97K6

O RING flared end

41

6812815

FITTING W/Ref. 36 - flat boss face

42

17C612

BOLT 5

43

6812820

ELBOW flat boss face - Was 6511914 - A

44

6665490

VALVE

45

ELBOW NLA - W/Ref. 23 - flat boss face - Was 6657083 - A

45

6715183

ELBOW W/Ref. 23 - check boss face to determine correct replacement o-ring

46

17C624

BOLT 5

47

6706866

TUBELINE

48

BLOCK See Illustration BICS BLOCK/ C3430

49

17K5

ELBOW W/Ref. 36 - flat boss face

49

97K6

O RING flared end

50

6624289

STRAP, TIE

51

6711974

TUBELINE

52

12H15

FITTING, GREASE 5

53

17C528

BOLT

54

1300913

ELBOW

55

6665920

VALVE See Illustration BUCKET POSITIONING VALVE/ B17502

56

6713752

TUBELINE

57

6713751

TUBELINE

58

784568

ELBOW W/Ref. 21 - flat boss face

58

ELBOW NLA - W/Ref. 21 - flat boss face - Was 6715716 - A

58

97K8

O-RING flared end

58

17KB0810

FITTING, HYD ELBOW W/Ref. 21 - flat boss face

59

6707105

HOSE

60

37C540

BOLT

61

83D5

NUT 5

62

TEE NLA - Order 10K000006B - Was 10KN00006B - A

62

97K8

O-RING flared end

62

10K6

FITTING

63

6706074

HOSE

64

6530859

HOSE

65

872229

WASHER

66

59D6

NUT

Выбрано товаров: 89