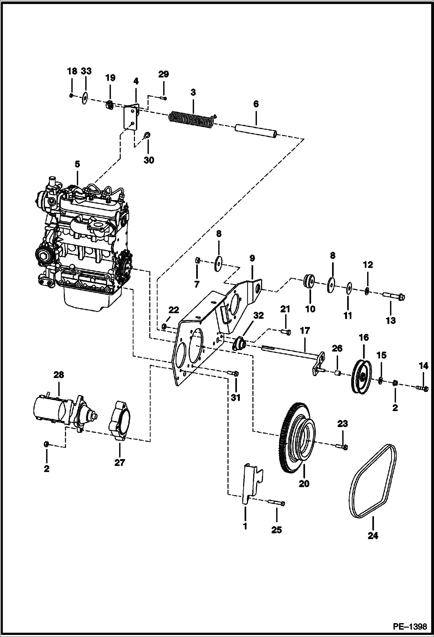
Запчасти Bobcat 400s ENGINE & ATTACHING PARTS (Belt Drive, Hyd.) (S/N 5200 11681 & Above, 5199 11410 & Above) POWER UNIT

Схема запчастей Bobcat 400s - ENGINE & ATTACHING PARTS (Belt Drive, Hyd.) (S/N 5200 11681 & Above, 5199 11410 & Above) POWER UNIT
FIT
1:1
100%

Артикул

Название

Примечание

Количество

1

6713874

SHIELD starter

2

83D6

NUT 5

3

6678782

SPRING Was 6564892 - A

4

6730864

BRACKET idler

5

ENGINE See Illustration ENGINE & GASKET KITS/ B16486

6

6564788

TUBE

7

85D8

NUT, 5

8

6564692

WASHER

9

6730934

MOUNT Engine

10

6560633

DAMPENER Rubber

11

6565472

WASHER .53 '' ID

12

25E21

WASHER 5

13

35C840

BOLT Was 17C000844B - B

14

6719825

BOLT

15

6563914

WASHER Was 27E000006B - B

16

6689692

PULLEY, IDLER Was 6689645 - A

17

6730949

BRACKET With Stud

18

61D4

NUT 5

19

6599468

BEARING

20

6713599

FLYWHEEL W/Ring Gear

20

6800424

RING-GEAR

21

17C716

BOLT

22

85D7

NUT

23

6661636

BOLT Washer face

24

6727727

BELT drive

25

17C640

BOLT 5 Was 17C000636B - B

26

6532347

SPACER

27

6713778

BLOCK

28

STARTER See Illustration STARTER/ D2396

29

25G412

CAPSCRW10

30

5CM1020

SCREW

31

55CM816

BOLT Was 1CM00816B - B

32

6730870

BEARING

33

25E13

WASHER 5

Выбрано товаров: 34