Качественные детали и логистика
Оригинальные и аналоговые запчасти с доставкой по России, Казахстану и Беларуси
©2022 PartSell ООО "Система" ИНН 2463123282 ОГРН 1212400004838
Центральный офис: г. Красноярск, Академика Киренского, д.87, пом.4
Телефон: 8 (800) 777-65-74 Email: zakaz@partsell.ru
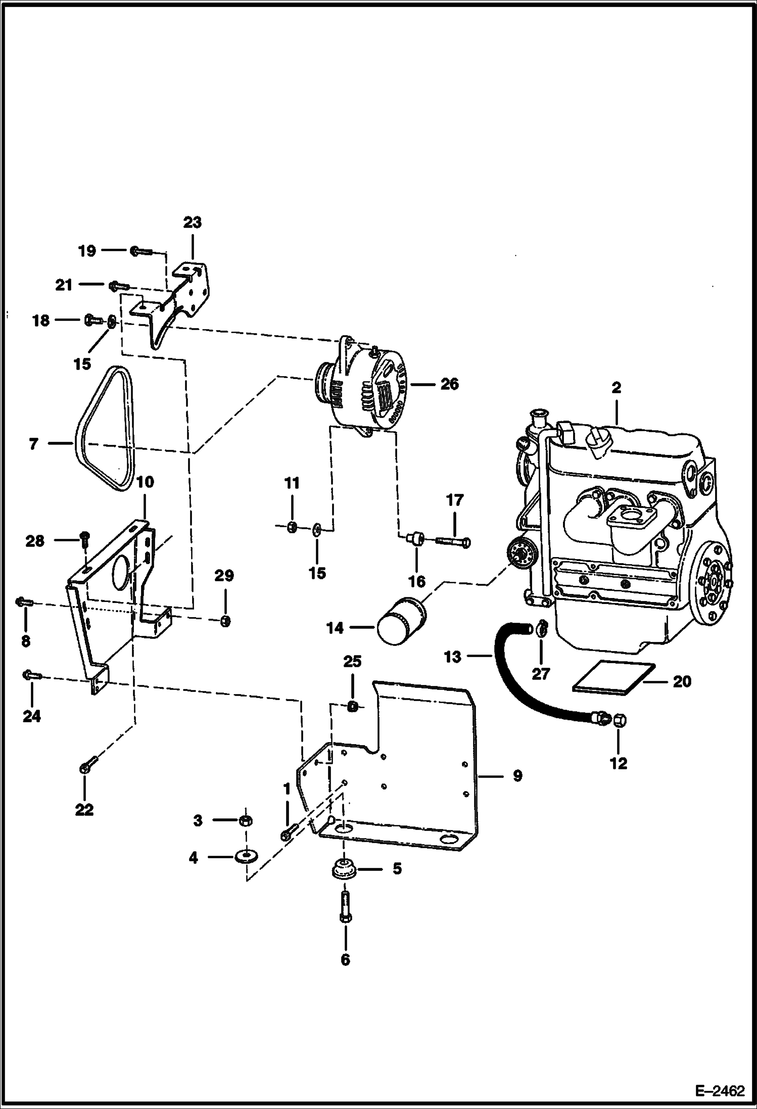
ENGINE & ATTACHING PARTS (Belt Drive, Alt.)
№
Артикул
Название
Примечание
Количество
1
5CM1020
SCREW
2
ENGINE See Illustration ENGINE & GASKET KITS/ B16486
3
85D8
NUT, 5
4
6564692
WASHER
5
6560633
DAMPENER Rubber
6
17C844
BOLT
7
6719549
BELT, ALT 35'' (889 mm)
8
35C412
BOLT Was 84G003112B - B
9
6713672
MOUNT
10
6725904
SHIELD belt
11
1DM8
NUT
12
36K6
CAP Was 36K000008B - B
13
6713504
HOSE
14
CARTRIDGE See Illustration GEARCASE/ B27101 OIL FILTER
15
6557831
16
6713749
SPACER
17
1CM870
18
1CM825
BOLT 1'' (25.4 mm) long - hex head
29CM820
SCREW .8'' (20 mm) long - flange head
19
1CM625
20
6714239
SPACER foam
21
1CM616
22
37C512
23
6713369
BRACKET alt.
24
84G3120
25
85D5
NUT 5
26
ALTERNATOR See Illustration ALTERNATOR/ C3456
27
42H8
HOSE CLAMP 5
28
84G3112
BOLT 5
29
83D4
NUT 10
Выбрано товаров: 0