Качественные детали и логистика
Оригинальные и аналоговые запчасти с доставкой по России, Казахстану и Беларуси
©2022 PartSell ООО "Система" ИНН 2463123282 ОГРН 1212400004838
Центральный офис: г. Красноярск, Академика Киренского, д.87, пом.4
Телефон: 8 (800) 777-65-74 Email: zakaz@partsell.ru
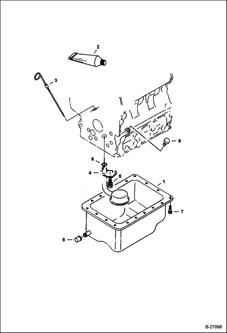
OIL PAN (Kubota D722)
№
Артикул
Название
Примечание
Количество
1
6685739
PAN
GASKET NLA - Use Ref. 2
2
6632823
GASKET liquid - Use between Ref. 1 & block
3
6670374
DIPSTICK 7.5 mm dia plug
6678238
DIPSTICK 12.5 mm dia plug
4
6670348
SCREEN oil pickup
5
6667420
BOLT
6
6680284
O-RING See Illustration LOWER GASKET KIT/ B16470 included w/lower gasket kit
7
1CM614
SCREW Was 4CM614 - A
8
6687741
PLUG
9
6969804
PLUG,OIL GAUGE
Выбрано товаров: 0