Запчасти Bobcat 500s CYLINDER BLOCK GROUP POWER UNIT

Схема запчастей Bobcat 500s - CYLINDER BLOCK GROUP POWER UNIT
FIT
1:1
100%

Артикул

Название

Примечание

Количество

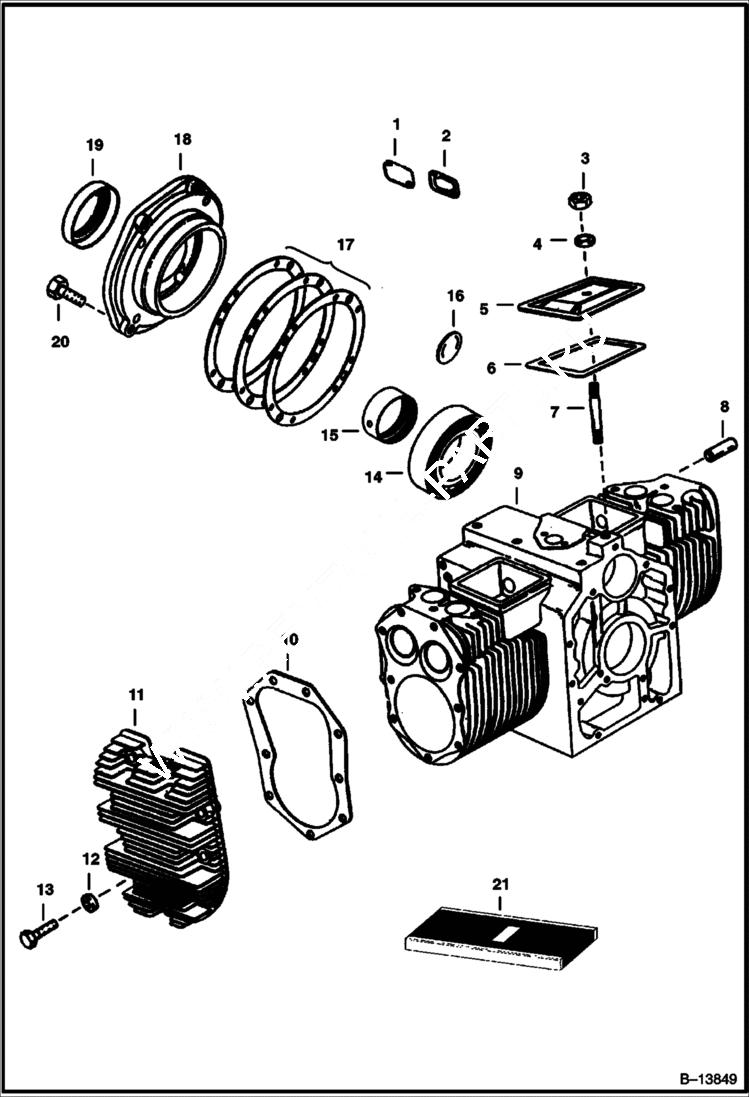
1

6517213

COVER pump

2

6517214

GASKET pump

3

61D4

NUT 5

4

6518102

WASHER plain

5

6517221

VALVE COVER valve

6

6517222

GASKET valve cover

7

6512260

STUD valve cover - Was 6517223 - A

8

6518103

GUIDE valve

9

SHORT BLOCK NLA - Was 6517234 - A

10

GASKET NLA - head - Was 6517235 - A

11

HEAD NLA - cylinder - Was 6517236 - A

12

214765

WASHER

13

17C624

BOLT 5 cylinder head

14

6517233

BEARING Roller

15

6517229

SLEEVE

15

6517230

SLEEVE .010'' (0,25mm) - Was NLA - A

15

SLEEVE NLA - -.020'' (0,51mm) - Was 6517231 - D

16

6517232

PLUG expansion

17

6517226

GASKET shim - .020'' (0,51mm)

17

6517227

GASKET shim - .007'' (0,18mm)

17

6517228

GASKET shim - .005'' (0,13mm)

18

6517225

PLATE rear closure

19

SEAL NLA - Was 6517224 - A

20

47G628

SCREW

21

GASKET SET NLA - overhaul - Was 6517238 - A

21

GASKET SET NLA - overhaul - W/Front & Rear Oil Seals - Was 6664844 - A

Выбрано товаров: 26