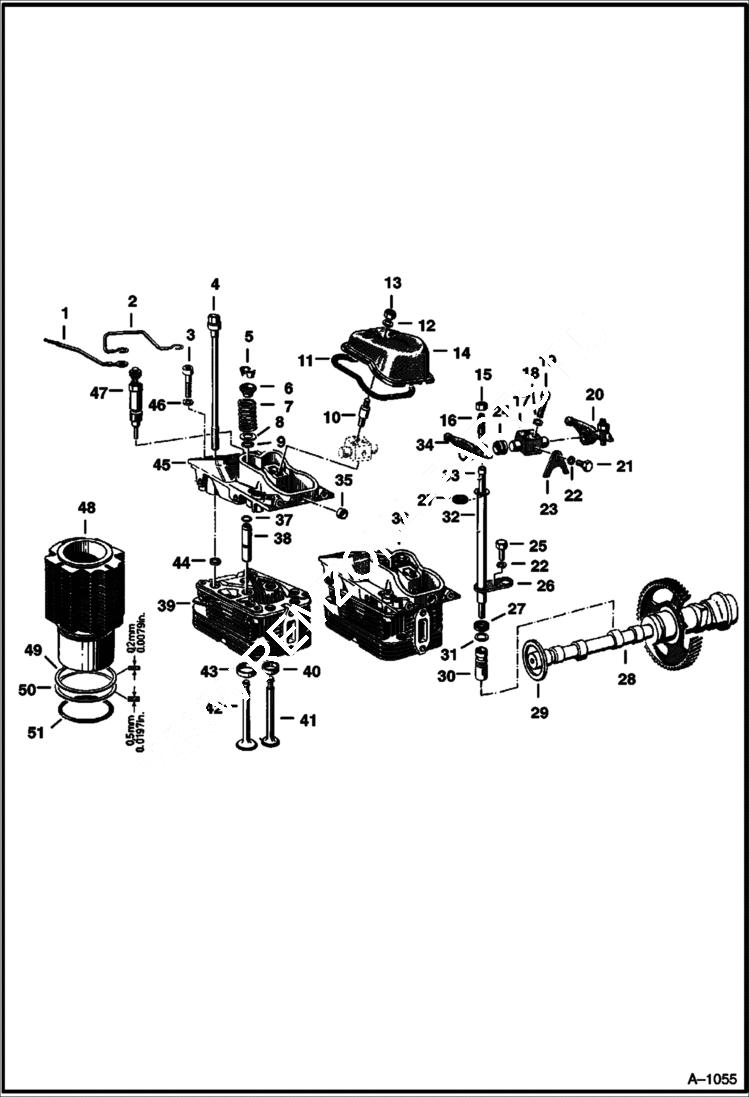
Запчасти Bobcat 500s CYLINDER BLOCK, HEADS VALVES & CAMSHAFT F2L310 Deutz Diesel POWER UNIT

Схема запчастей Bobcat 500s - CYLINDER BLOCK, HEADS VALVES & CAMSHAFT F2L310 Deutz Diesel POWER UNIT
FIT
1:1
100%

Артикул

Название

Примечание

Количество

1

6516069

WIRE glow plug

2

6517792

CONNECTOR glow plug

3

1GM840

SCREW

4

6516044

SCREW head

5

CONE NLA - valve keeper - Was 6517757 - A

6

6517756

WASHER valve keeper

7

6516049

SPRING valve

8

6516048

WASHER

9

6515259

O-RING

10

6518197

STUD valve cover

10

6518198

STUD valve cover

11

6511128

GASKET valve cover

12

1FM80140

WASHER valve cover

13

NUT NLA - Was 19DM000008B - A

14

6517762

COVER valve

15

27DM8

NUT tappet

16

6516064

TAPPET

17

6517771

SHAFT Rockerarm

18

8EM80

WASHER

19

1GM840

SCREW allen head

20

6517768

ARM Rocker assy.

21

1CM610

BOLT Was 4CM610 - A

22

6EM60

WASHER, SPRING

23

6517770

BRACKET Rocker arm shaft

24

6517767

BUSHING

25

1CM612

BOLT Was 4CM612 - A

26

6516060

PLATE push rod tube

27

6516059

O-RING

28

6517764

CAMSHAFT

29

WASHER NLA - Thrust - Was 6517826 - A

30

6518150

LIFTER valve

31

6517680

WASHER

32

6517765

TUBE push rod

33

6517769

PUSH ROD

34

6517768

ARM Rocker

35

3FM14

PLUG soft

36

6517761

HEAD ASSY.

37

6516052

O-RING valve guide

38

6517755

GUIDE valve

39

HEAD NSS - Was 6517761 - A

40

6516042

SEAT exhaust

41

6517754

VALVE exhaust

42

6517753

VALVE intake

43

6516041

SEAT intake

44

6516045

WASHER

45

6517759

BOX Rocker

46

6516147

WASHER

47

GLOW PLUG NLA - Was 6598786 - A

48

6517734

LINER

49

6511937

SHIM liner

50

6511937

SHIM liner - Was 6517735 - A

51

6517693

O-RING liner

Выбрано товаров: 52