Запчасти Bobcat 500s FARR AIR CLEANER ACCESSORIES & OPTIONS

Схема запчастей Bobcat 500s - FARR AIR CLEANER ACCESSORIES & OPTIONS
FIT
1:1
100%

Артикул

Название

Примечание

Количество

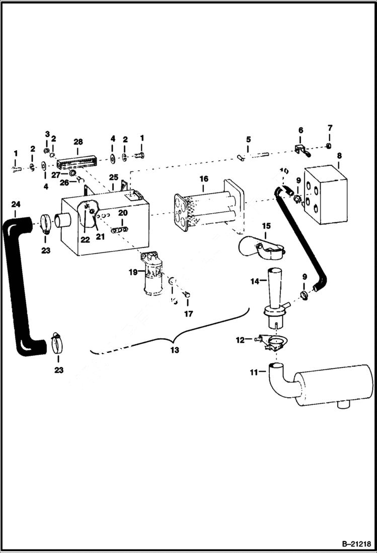
1

17C612

BOLT 5

2

4E6

WASHER

3

61D6

NUT 5

4

25E17

WASHER 5

5

6511961

ROD

6

CLAMP NLA

7

NUT NLA - Was 6511296 - A

8

6515025

PRE-CLEANER Farr air cleaner

9

42H12

CLAMP 10

10

HOSE NLA - Was 6503214 - A

11

MUFFLER NLA - exhaust - Use W/Farr Air Cleaner on Kohler Eng. - Was 6515469 - A

12

CLAMP NLA - Was 659179 - A

13

6515557

AIR CLEANER assy. - Farr pamic - Ref. 16 - 23 & 26

14

6515032

ASPIRATOR exhaust - Class 1

15

CAP NLA - Weather - Was 6515601 - A

16

6515017

ELEMENT filter

17

17C412

BOLT 5

18

WASHER NLA - sealing - Was 791837B - A

19

INDICATOR NLA - condition - Was 893638 - A

20

6515022

GASKET

21

4E4

WASHER

22

61D4

NUT 5

23

42H32

HS CLAMP5

24

HOSE NLA - Was 6505403 - A

25

6515024

HOUSING

26

BOLT NLA - carriage bolt - 3/8'' x 1'' - Was 7C000616B - A

27

6E8

WASHER

28

6515036

CHANNEL mounting

Выбрано товаров: 28