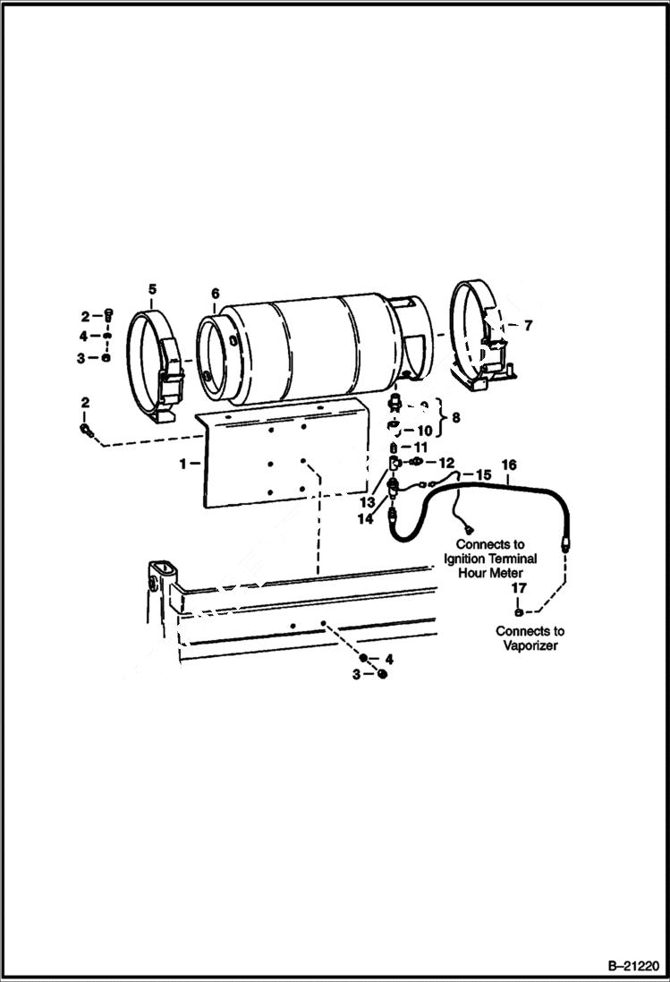
Запчасти Bobcat 500s LP GAS TANK & ATTACHING PARTS ACCESSORIES & OPTIONS

Схема запчастей Bobcat 500s - LP GAS TANK & ATTACHING PARTS ACCESSORIES & OPTIONS
FIT
1:1
100%

Артикул

Название

Примечание

Количество

1

6544004

BRACKET mounting

2

17C616

BOLT 5

3

61D6

NUT 5

4

4E8

WASHER

5

CLAMP NLA - L.H. - Was 6504954 - A

6

6515535

TANK LPG

7

CLAMP NLA - R.H. - Was 6504955 - A

8

ADAPTER NLA - assy. - Order Ref. 9 & 10 - Was 715975B - A

9

715977

COUPLER Male

10

715976

COUPLER Female

11

NIPPLE NLA - Was 5K000207B - A

12

VALVE NLA - Relief - Was 655336 - A

13

TEE NLA - Was 18F000002B - A

14

LOCK NLA - filter - W/Element - Was 6501945 - A

14

6515605

ELEMENT filter - W/6501945

15

WIRE NLA - Was 6501944 - A

16

6555113

HOSE

17

618298

ELBOW street

Выбрано товаров: 18