Запчасти Bobcat 500s SEAT BAR KIT ACCESSORIES & OPTIONS

Схема запчастей Bobcat 500s - SEAT BAR KIT ACCESSORIES & OPTIONS
FIT
1:1
100%

Артикул

Название

Примечание

Количество

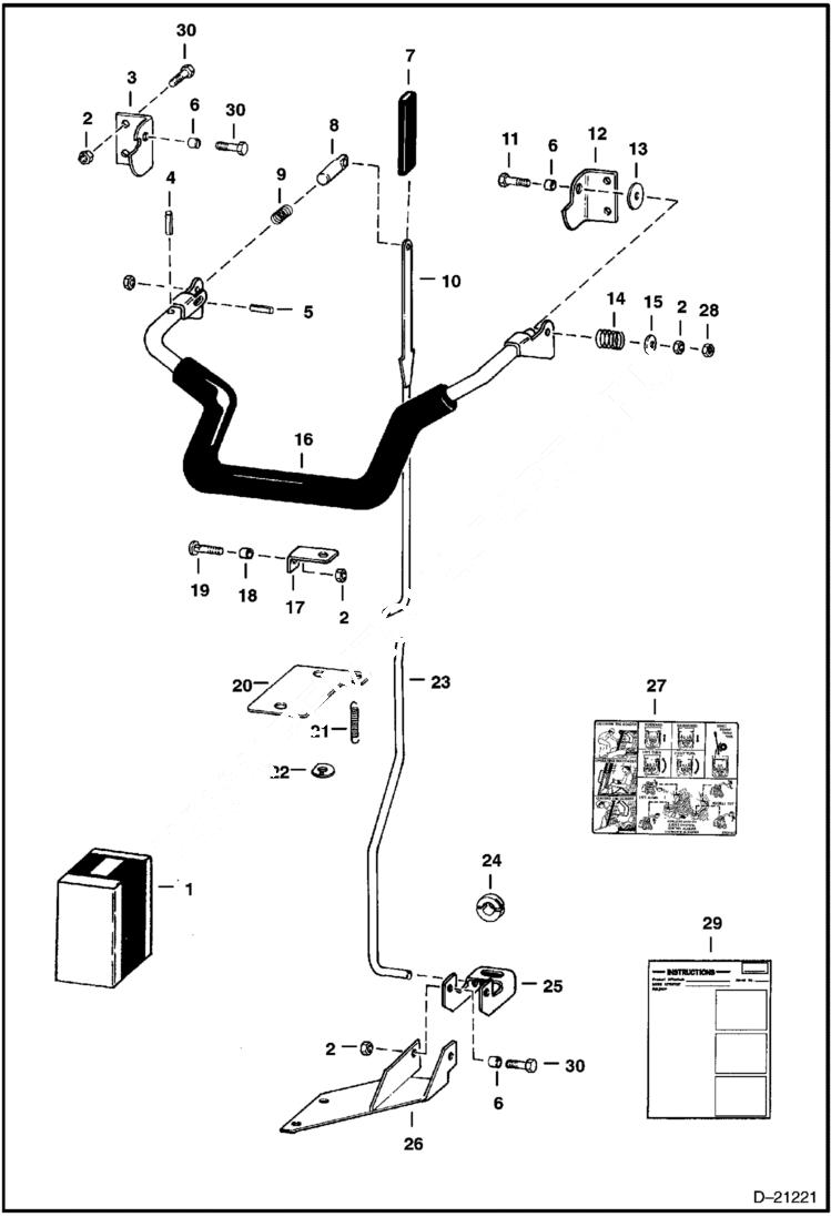
1

KIT NLA - Seat Bar - Ref. 2-30 - Order Components - Was 6563666 - A

2

85D6

NUT, 5

3

6563198

BRACKET pivot

4

14J3716

PIN

5

14J3724

PIN

6

6544654

BUSHING

7

GRIP NLA - Was 6563477 - A

8

6563200

PIN

9

6702430

SPRING, COMPRESSION Was 6563149 - C

10

ROD NLA - Was 6563184 - A

11

17C636

BOLT

12

BRACKET NLA - Was 6563480 - A

13

6562127

WASHER

14

6562126

SPRING

15

27E6

WASHER 5

16

BAR NLA - Was 6563544 - A

17

6563181

BRACKET

18

6555798

SPACER

19

BOLT NLA - Was 6560034

20

GUIDE NLA - Was 6563208 - A

21

SPRING NLA - Was 6563016 - A

22

BRACKET NLA - Was 6564049 - A

23

ROD NLA - Was 6563182 - A

24

CLAMP NLA - Was 6598499 - A

25

LOCK NLA - Was 6563470 - A

26

NLA - Was 6563473 - A

27

6569022

DECAL Was 6563817 - A

28

7D6

NUT

29

INSTRUCTIONS NLA - Print Instructions from BASS - Was 6566139 - A

30

17C616

BOLT 5

Выбрано товаров: 30