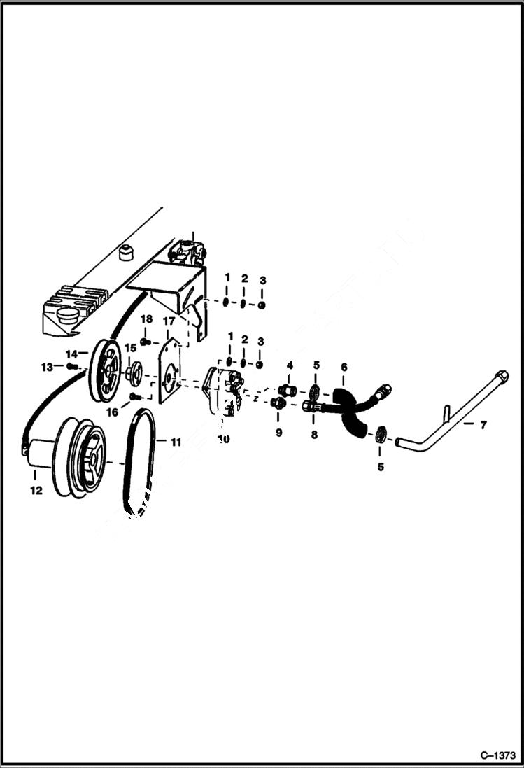
Запчасти Bobcat 500s HYDRAULIC PUMP CIRCUITRY S/N 70132 & Above HYDRAULIC SYSTEM

Схема запчастей Bobcat 500s - HYDRAULIC PUMP CIRCUITRY S/N 70132 & Above HYDRAULIC SYSTEM
FIT
1:1
100%

Артикул

Название

Примечание

Количество

1

784469

WASHER flat

2

4E6

WASHER lock

3

61D6

NUT 5

4

1309919

CONECTOR W/O-Ring

5

42H32

HS CLAMP5

6

6504397

HOSE

6

6509648

HOSE B.O.M.

7

TUBE NLA - Was 6501981 - A

8

HOSE NLA - Was 6501980 - A

9

730963

CONNECTR W/O-Ring

10

6515590

PUMP See Illustration HYDRAULIC PUMP/ C1042 See Illustration HYDRAULIC PUMP/ C1042A See Illustration HYDRAULIC PUMP/ B21193 See Illustration HYDRAULIC PUMP/ A1008 See Illustration HYDRAULIC PUMP/ B212

11

BELT NLA - hydraulic pump - Was 6515532 - A

12

DRIVE See Illustration VARIABLE SPEED DRIVE CIRCUITRY/ B21301 See Illustration VARIABLE SPEED DRIVE CIRCUITRY/ B21302 VARIABLE SPEED CIRCUITRY

13

17C418

BOLT

14

SHEAVE NLA - W/Ref. 15 - Was 6555344 - A

15

HUB NSS

16

17C620

BOLT

17

PLATE NLA - Was 6504389 - A

18

17C614

BOLT

Выбрано товаров: 19