Запчасти Bobcat 500s BRAKES ACCESSORIES & OPTIONS

Схема запчастей Bobcat 500s - BRAKES ACCESSORIES & OPTIONS
FIT
1:1
100%

Артикул

Название

Примечание

Количество

1

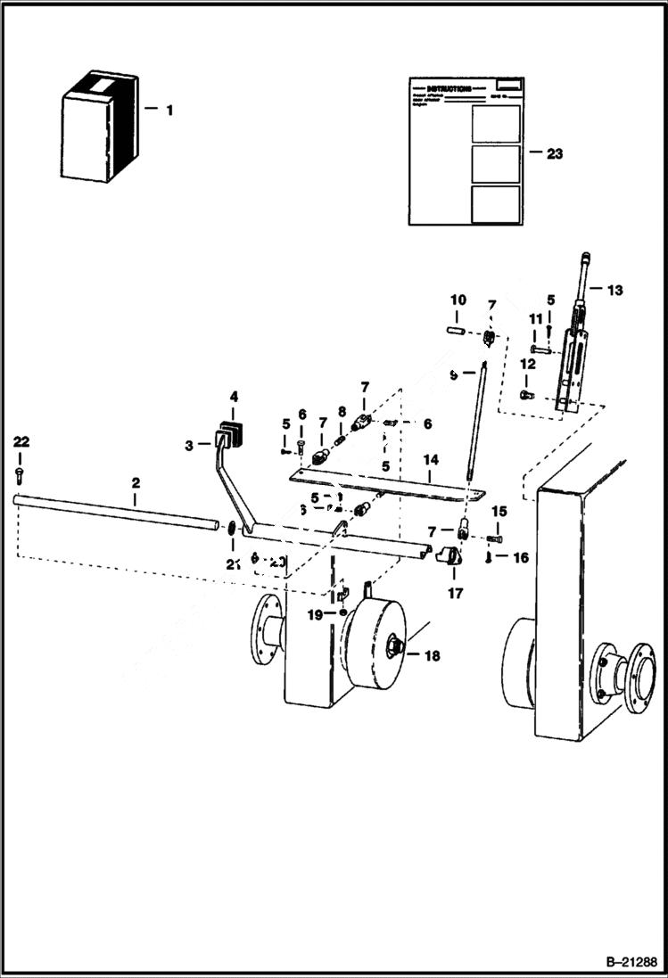
BRAKE KIT See Illustration AXLE & BRAKE ASSEMBLY/ B21287 NLA - ORDER REF. 2 - 17, 19 - 21 & REF. 11 - 13, 16 - 19, 23 & 26 - 28 on Ill. B-21288 - WAS 6547224

2

SHAFT NLA - Was 6502910 - A

3

6544372

PEDAL

4

GRIP NLA - Was 6518999

5

1F416

PIN Was 1F000412B - D

6

663350

PIN

7

6508041

YOKE

8

ROD NLA - Was 6509653 - A

9

6590765

ROD

10

6540106

BUSHING

11

PIN NLA - Was 980862 - A

12

17C528

BOLT

13

6519000

LEVER

14

6544374

BAR

15

2F6106

PIN

16

1F312

PIN

17

6544377

PIVOT

18

BRAKE ASSY. See Illustration AXLE & BRAKE ASSEMBLY/ B21287

19

91D5

NUT 5 Was 81D000005B - A

20

11H25

FITTING10

21

25E29

WSHR

22

17C524

BOLT

23

6544469

INSTRUCTIONS

Выбрано товаров: 23