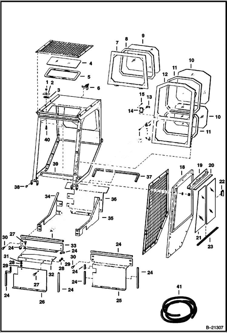
Запчасти Bobcat 500s CAB ENCLOSURE ACCESSORIES & OPTIONS

Схема запчастей Bobcat 500s - CAB ENCLOSURE ACCESSORIES & OPTIONS
FIT
1:1
100%

Артикул

Название

Примечание

Количество

1

81D4

NUT

2

PLATE NSS

3

STRIP NSS - weather

4

WINDOW NLA - glass

5

SEAL NLA - locking

6

LATCH NLA - window - Was 6519179 - A

7

6541451

FRAME window

8

SEAL NLA - locking

9

WINDOW NLA - glass

10

WINDOW NLA - glass

11

SEAL NLA - locking

12

6540685

FRAME door

13

6515600

HANDLE

14

6598475

DOOR LATCH Was 6511133 - A

15

SCREW NLA - Was 59G1208 - A

16

1550695

HANDLE W/Key

17

75G1008

SCREW

18

6541462

WINDOW ASSY. R.H.

18

6541469

WINDOW ASSY. L.H.

19

6547558

BRACKET R.H.

19

6547559

BRACKET L.H.

20

CHANNEL NLA - Order 3' (914,4mm) of 6632565 - Was 6541505 - A

21

WINDOW NLA - glass

22

6519421

HANDLE window

23

6541506

CHANNEL

24

SEAL NLA - Order Ref. 41

25

6542249

PANEL

26

6547192

PANEL

27

17C614

BOLT

28

4E6

WASHER

29

61D6

NUT 5

30

17C408

BOLT

31

25E17

WASHER 5

32

6547556

GUARD foot

33

6547193

PANEL

34

6542284

PANEL

35

6542285

PANEL

36

6542223

PANEL

37

6542651

SEAL

38

17C608

BOLT

39

6542259

BRACE door

39

6542731

SAFETY TREAD

40

6544495

RING

41

6519177

SEAL bulk

Выбрано товаров: 44