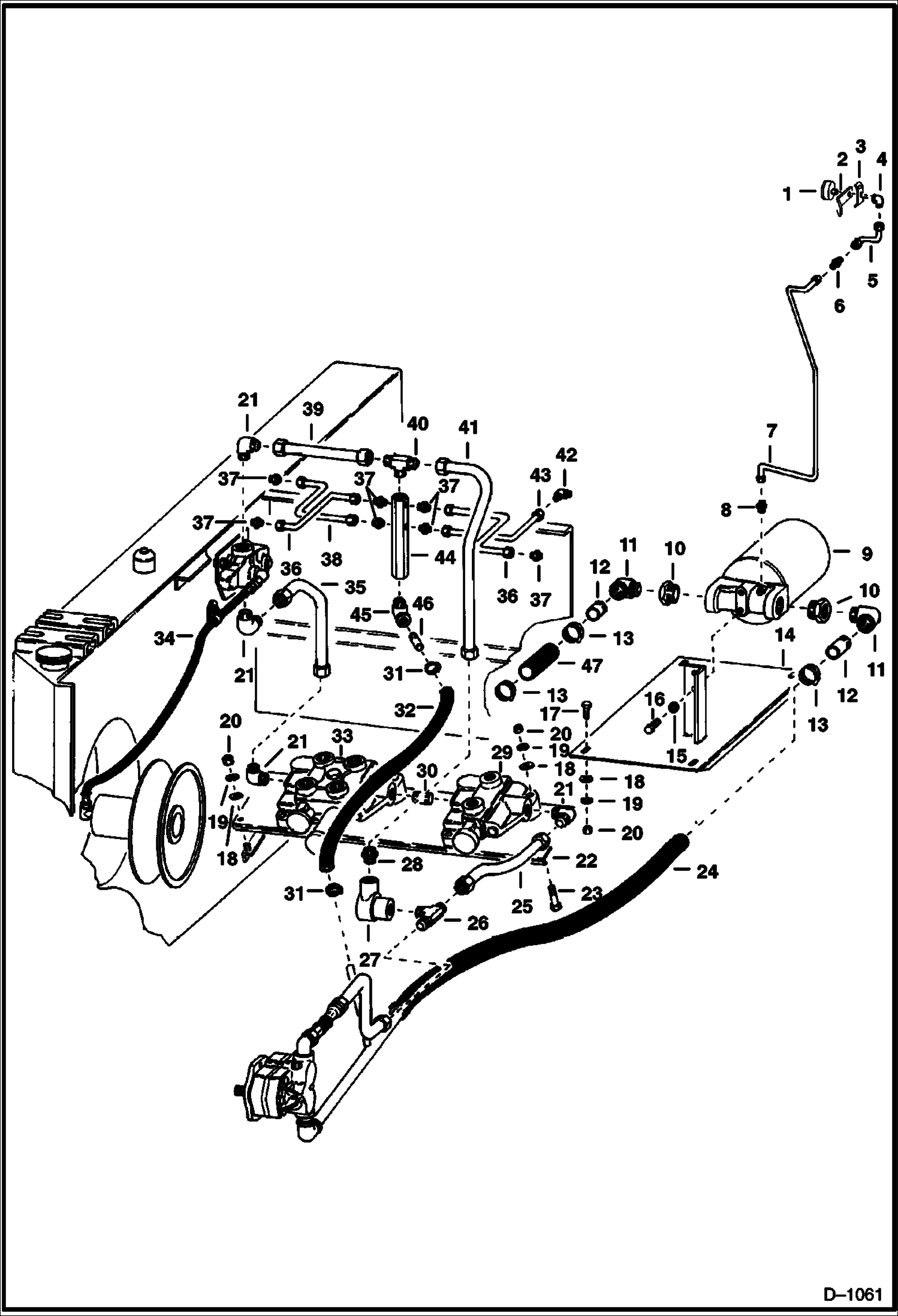
Запчасти Bobcat 500s MAIN FRAME HYDRAULIC CIRCUITRY M-444, M-500 Gasoline, LP Gas HYDRAULIC SYSTEM

Схема запчастей Bobcat 500s - MAIN FRAME HYDRAULIC CIRCUITRY M-444, M-500 Gasoline, LP Gas HYDRAULIC SYSTEM
FIT
1:1
100%

Артикул

Название

Примечание

Количество

1

6654208

GAUGE oil vacuum - Was 6518226 - A

2

BRACKET NLA - Was 6503450 - A

3

BRACKET NLA - Was 6502775 - A

4

85F3

ELBOW street

5

TUBE NLA - Was 6501116 - A

6

87F3

ADAPTOR straight

7

TUBE NLA - Was 6501118 - A

8

89F3

ADAPTOR reducing

9

FILTER See Illustration HYDRAULIC OIL FILTER/ B13878 NLA - hydrostatic - 10 micron - Was 6555477 - A

10

19F16

BUSHING reducing

11

26F6

ELBOW street

12

ADAPTER NLA - Was 6502416 - A

13

42H32

HS CLAMP5 hose

14

NLA - Was 6504718 - A

15

25E15

WASHER

16

17C512

BOLT 5

17

17C616

BOLT 5

18

25E19

WASHER

19

4E6

WASHER

20

61D6

NUT 5

21

83F8

ELBOW

22

6502908

PLATE

23

17C640

BOLT 5

24

PUMP See Illustration HYDRAULIC PUMP CIRCUITRY/ B1165 See Illustration HYDRAULIC PUMP CIRCUITRY/ B1163 HYD.

25

TUBE NLA - Was 6501033 - A

26

6515134

TEE

27

VALVE See Illustration MASTER RELIEF VALVE/ B13855 RELIEF

28

663013

CONN straight

29

VALVE See Illustration TILT CYLINDER VALVE/ C1049 TILT

30

5K611

NIPPLE close

31

42H12

CLAMP 10

32

6503413

HOSE

33

VALVE See Illustration LIFT CYLINDER & AUXILIARY VALVE/ C1240 See Illustration LIFT CYLINDER & AUXILIARY VALVE/ C1051 LIFT & AUX.

34

DRIVE See Illustration VARIABLE SPEED DRIVE CIRCUITRY/ B1159 See Illustration VARIABLE SPEED DRIVE CIRCUITRY/ B1160 VARIABLE SPEED

35

TUBE NLA - Was 6501078 - A

36

TUBE NLA - Was 6501068 - A

37

89F5

CONNECTR straight

38

TUBE NLA - Was 6501067 - A

39

TUBE NLA - Was 6501066 - A

40

98F8

TEE branch

41

TUBE NLA - Was 6501069 - A

42

83F5

ELBOW

43

TUBE NLA - Was 6501158 - A

44

VALVE See Illustration CLUTCH PRESSURE RELIEF VALVE/ B1170 NLA - PRESSURE RELIEF - WAS 6501073 - A

45

26F4

ELBOW street

46

6511859

ADAPTER pipe

47

6515158

HOSE

Выбрано товаров: 47