Запчасти Bobcat 500s MAIN FRAME AUXILIARY LINES HYDRAULIC SYSTEM

Схема запчастей Bobcat 500s - MAIN FRAME AUXILIARY LINES HYDRAULIC SYSTEM
FIT
1:1
100%

Артикул

Название

Примечание

Количество

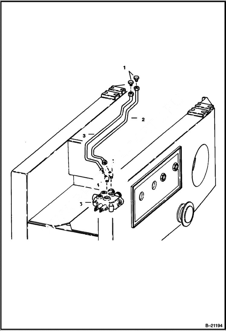
1

6518121

PLUG

2

TUBE NLA - Was 6501048 - A

3

6501047

TUBE

4

662487

ELBOW

5

VALVE / CORE EXCHANGE REQUIRED See Illustration LIFT CYLINDER & AUXILIARY VALVE/ C1240 NLA - Was 6504941REM - A

Выбрано товаров: 5