Запчасти Bobcat 500s FUEL SYSTEM & EXHAUST GROUP POWER UNIT

Схема запчастей Bobcat 500s - FUEL SYSTEM & EXHAUST GROUP POWER UNIT
FIT
1:1
100%

Артикул

Название

Примечание

Количество

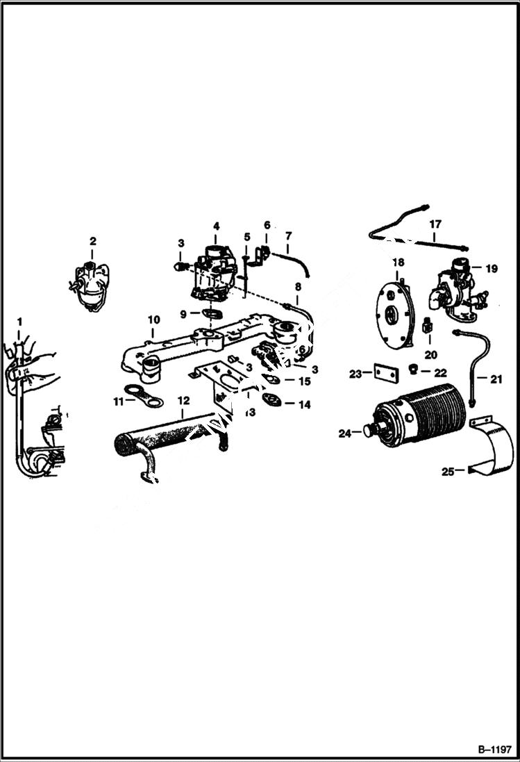
1

WRENCH NLA - carburetor - Was 6517050 - A

2

FILTER NLA - Fuel - Optional - Was 6517098 - A

3

ELBOW NLA - street - Was 62F000002B - A

4

CARBURETOR See Illustration CARBURETOR/ B1201 NLA - WAS 6517139 - A

5

6517141

CABLE

6

BRACKET NLA - Choke Cable - W/6517189 - Was 6517170 - A

7

6515169

CABLE choke control

8

6517216

FUEL LINE

9

GASKET NLA - carburetor - Was 858709 - A

10

6517217

MANIFOLD intake

11

6517247

GASKET intake manifold

12

6517008

MUFFLER exhaust

13

6517255

BAFFLE heat

14

858769

SPACER

15

GASKET NLA - fuel pump - Was 858770B - A

16

6517269

FUEL PUMP See Illustration FUEL PUMP/ B1200

17

FUEL LINE NLA - Purchase Locally

18

6517290

REGULATOR secondary - LP Gas

18

REPAIR KIT NLA - regulator - Order Ref. 18

19

CARBURETOR See Illustration CARBURETOR/ B1240 NLA - LP GAS - WAS 6516738 - A

20

62F4

ELBOW street

21

6517308

FUEL LINE

22

6517258

CONNECTOR inverted male

23

6517309

COVER

24

VAPORIZER See Illustration LPG VAPORIZER/ B1225 NLA - W/PRIMARY REGULATOR - LP GAS - WAS 6516421 - A

25

6517311

CLAMP vaporizer

Выбрано товаров: 26