Запчасти Bobcat 500s CYLINDER BLOCK GROUP POWER UNIT

Схема запчастей Bobcat 500s - CYLINDER BLOCK GROUP POWER UNIT
FIT
1:1
100%

Артикул

Название

Примечание

Количество

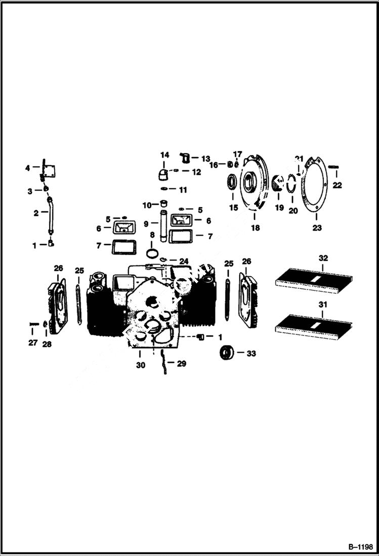
1

ELBOW NLA - Was 62F000002B - A

2

LINE NLA - Oil - Was 6517338 - A

3

CONNECTOR NLA - oil pressure sender - Was 858771B - A

4

TEE NLA - bracket - Was 854347 - A

5

882004

WASHER copper

6

6517587

COVER valve compartment

7

6517588

GASKET valve cover

8

12F10

PLUG expansion

9

TUBE NLA - breather - W/Spec. No. 647F-1031F - Was 858689 - A

9

TUBE NLA - Breather - W/Spec. No. 1060F & Above - Was 6517589 - A

10

858688

VALVE breather - W/Spec. No. 674F-1031F

11

6517590

VALVE breather - W/Spec. No. 1060F & Above

12

6504874

HOSE breather

12

HOSE NLA - breather - Was 6502824 - A

13

858687

CAP breather - Early Models

14

CAP NLA - Breather - Was 6517591 - A

15

6517592

SEAL oil

16

6517593

NUT

17

6517594

WASHER

18

6517595

PLATE rear bearing

18

6517596

PLATE rear bearing - Only On Spec. No. 929F

19

6517597

BEARING crankshaft - Front & Rear - W/Ref. 20 & 21 - (Std)

19

6517598

BEARING crankshaft - Front & Rear - W/Ref. 20 & 21 - .002'' (0,05 mm)

19

6517599

BEARING crankshaft - Front & Rear - W/Ref. 20 & 21 - .010'' (0,05 mm)

19

6517600

BEARING crankshaft - Front & Rear - W/Ref. 20 & 21 - .020'' (0,51 mm)

19

6517601

BEARING crankshaft - Front & Rear - W/Ref. 20 & 21 - .030'' (0,76 mm)

20

WASHER NLA - thrust - Crankshaft Bearing - Use W/Spec. No. 674F-1031F, Order 6517603

20

6517603

WASHER thrust - Crankshaft Bearing - Use W/Spec. No. 1060F & Above

21

6517604

PIN stop - Main Bearing

22

STUD NLA - rear bearing plate

23

6517606

GASKET

24

6517607

RING retainer - Breather Baffle Support

25

6645303

GASKET cylinder head - Was 6517608

26

6517609

HEAD cylinder Front - W/Spec. No. 674F

26

6517610

HEAD cylinder - Front - W/Spec. No. 775F & Above

26

HEAD NLA - Cylinder - Back - W/Spec. No. 674F - Was 6517611 - A

26

6517612

HEAD cylinder - Back - W/Spec. 775F & Above

27

17C520

BOLT 5

27

6517613

BOLT

28

228686

WASHER head bolt

29

6517614

TUBE oil passage

30

6517615

BLOCK ASSY. W/Bearings, Rear Bearing Plate, Valve Guides & Seats, Camshaft, Crankshaft, Rods, Pistons, Rings, Valves, Oil Pump, Timing Gear & Valve Cover

31

6517616

GASKET KIT complete engine overhaul

32

6517617

GASKET KIT gasket, carbon removal (Includes Gasket for Valve Covers, Cylinder Heads, Intake & Exhaust Manifold)

33

BEARING NLA - crankshaft thrust - W/Spec. No. 926F - Was 6519060 - A

Выбрано товаров: 45