Запчасти Bobcat 500s MAIN FRAME MAIN FRAME

Схема запчастей Bobcat 500s - MAIN FRAME MAIN FRAME
FIT
1:1
100%

Артикул

Название

Примечание

Количество

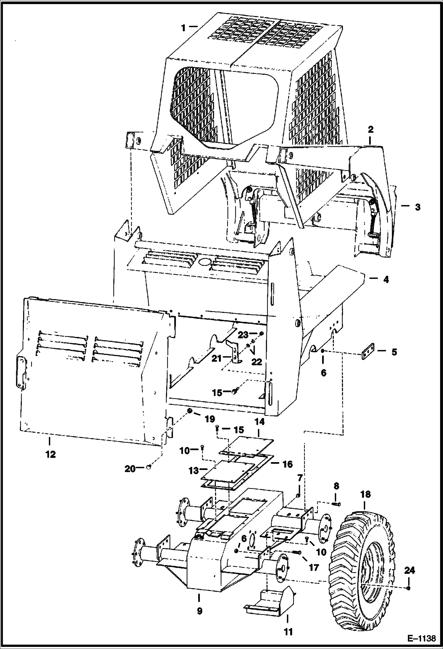
1

CAB See Illustration OPERATOR CAB/ B21332 OPERATOR

2

LIFT ARM See Illustration LIFT ARM & BOB-TACH/ D2215

3

BOB-TACH See Illustration BOB-TACH/ B21333 See Illustration BOB-TACH/ C2003

4

MAIN FRAME See BTI121 NLA

5

PLATE NLA - Was 6552840 - A

6

6518920

NUT

6

87D8

NUT Was 6512682 - A

7

40K6

PLUG pipe

8

18C832

BOLT Front & Rear

8

17C820

BOLT Front Only

9

CHAINCASE NLA

10

84G3712

BOLT 5

11

6564918

COVER

12

6559255

REAR DOOR See Illustration REAR DOOR/ D1278

13

6553791

COVER

14

6553792

COVER

15

84G3716

SCREW 5

16

6703117

GASKET, TRANSMISSION Was 6553833 - A

17

17C824

BOLT 5 Rear Only

18

TIRES & RIMS See Illustration RIM & TIRES/ B21361

19

85D5

NUT 5 Use W/6559255

20

10C512

BOLT Use W/6559255 - Was 6553808 - A

21

6558698

DOOR STOP

22

755589

WASHER

23

85D6

NUT, 5

24

6557188

NUT 1/2''

24

6564669

NUT, 10 9/16''

Выбрано товаров: 0