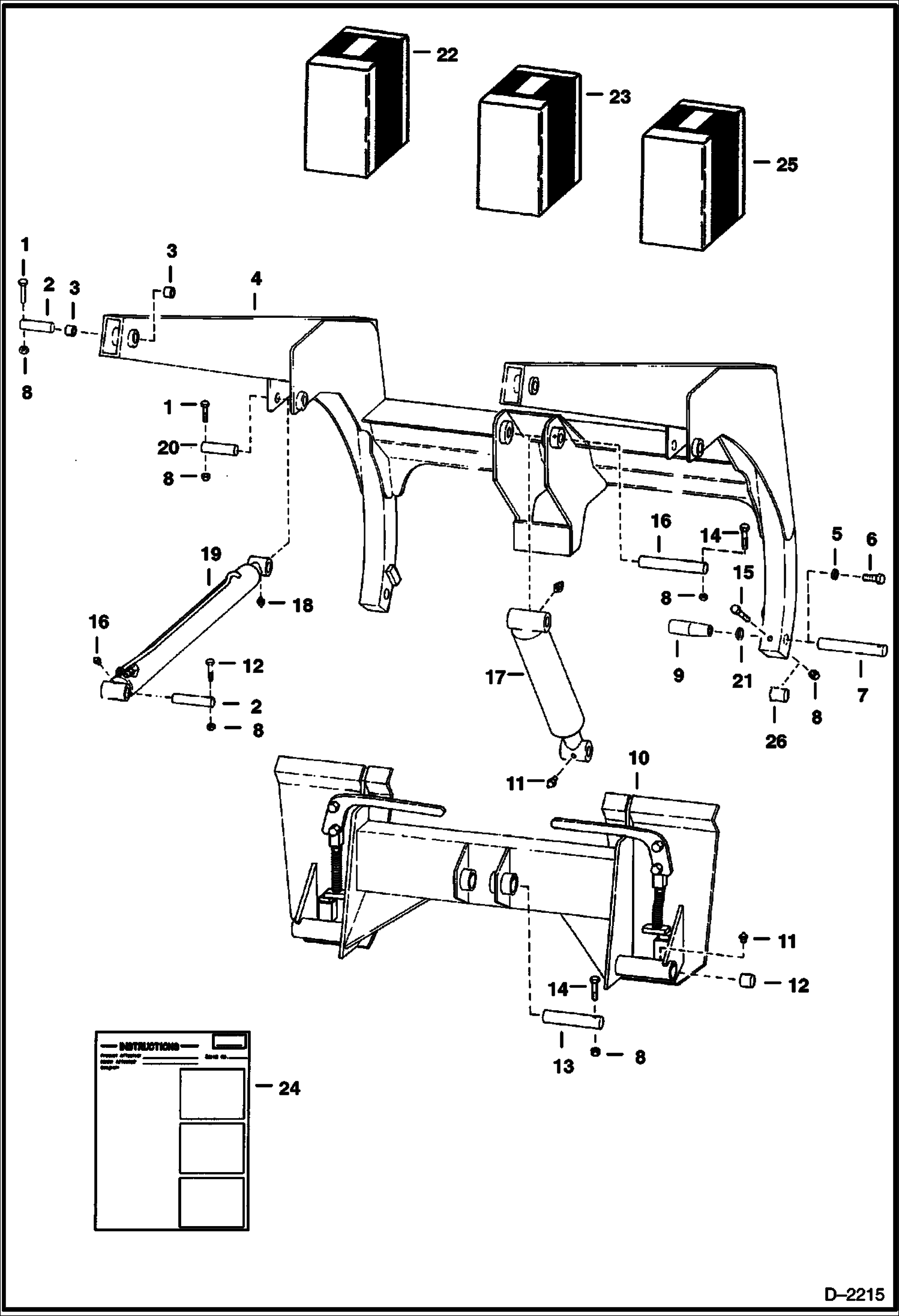
Запчасти Bobcat 500s LIFT ARM & BOB-TACH MAIN FRAME

Схема запчастей Bobcat 500s - LIFT ARM & BOB-TACH MAIN FRAME
FIT
1:1
100%

Артикул

Название

Примечание

Количество

1

17C636

BOLT

2

6551663

PIN, PIVOT

3

6552920

BUSHING

4

LIFT ARM See BTI121 NLA - Order 5, 6 & 9

5

6555455

WASHER

6

17C1020

BOLT 5 1.25'' (31,8 mm) long

6

17C1064

BOLT 5 4'' (101,6mm) long

7

PIN NLA - Order Ref. 23

7

6547595

PIN

8

85D6

NUT, 5

9

PIN NLA - tapered - Order Ref. 25 - Was 6555449 - A

10

BOB-TACH See Illustration BOB-TACH/ B21333 See Illustration BOB-TACH/ C2003

11

36H25

FITTING

12

6554294

BUSHING

13

6554246

PIN

14

17C640

BOLT 5

15

17C652

BOLT

16

6704288

PIN, PIVOT Was 6553061 - A

17

CYLINDER See Illustration TILT CYLINDER/ B21340 See Illustration TILT CYLINDER/ C2001 TILT

18

GREASE ZERK NLA - Was 37H000015B - A

19

6553162

CYLINDER See Illustration LIFT CYLINDER/ B2206 LIFT

20

6549189

PIN

21

27E18

WASHER 5 See BTI178

22

6558228

BUSHING See BTI121 Use when replacing Lift Arm

22

6558229

BUSHING See BTI101 Use when replacing Lift Arm

23

6555534

KIT pivot pin - Ref. 5, 6 & 9 Plus 6555487 Adapter

24

6556062

INSTRUCTIONS For Kit 6555534

25

6707521

PIN KIT

26

6714874

BUSHING, WELD-ON weld-on-W/tapered hole - 1.25''(31,8 mm)

Выбрано товаров: 29