Качественные детали и логистика
Оригинальные и аналоговые запчасти с доставкой по России, Казахстану и Беларуси
©2022 PartSell ООО "Система" ИНН 2463123282 ОГРН 1212400004838
Центральный офис: г. Красноярск, Академика Киренского, д.87, пом.4
Телефон: 8 (800) 777-65-74 Email: zakaz@partsell.ru
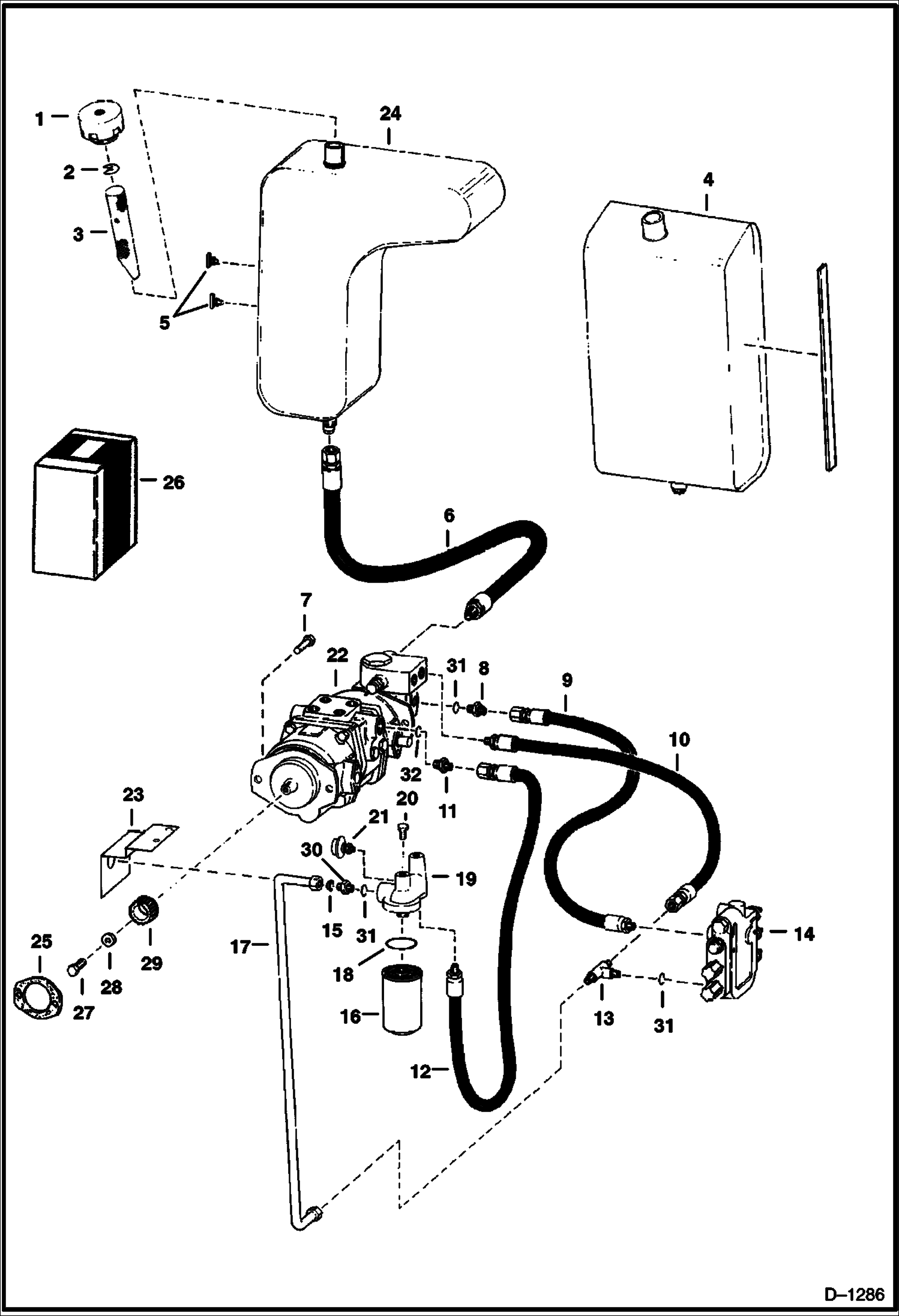
HYDROSTATIC PUMP CIRCUITRY
№
Артикул
Название
Примечание
Количество
1
CAP NLA - Pack of 12 - Was 1779011 - A
6577785
CAP breather - Qty. of 1
2
713133
SNAP RING
3
6558604
SCREEN
4
6553134
RESERVOIR
5
72F1
FITTING
6
6557490
HOSE
7
17C820
BOLT
8
15K7
FITTING W/Ref. 31
9
6553853
10
6553856
11
1303485
CONNECTOR W/Ref. 32
12
6557489
13
19K7
TEE W/Ref. 31
14
VALVE See Illustration HYDRAULIC VALVE/ B21339
15
6555832
ORIFICE
16
6515541
ELEMENT
17
6553901
TUBE
HOSE NLA - Use with heat shield kit - Was 6562148 - A
18
6554179
SEAL
19
FILTER HEAD NLA - Was 6553906 - A
20
17C612
BOLT 5
21
SWITCH NLA - hydro temp - Was 6512068 - A
22
PUMP See Illustration HYDROSTATIC PUMP/ B21342
23
6554757
SHIELD
24
6555794
25
6503835
GASKET
26
6559850
KIT bypass
27
96G616
SCREW allen head
28
6553541
WASHER
29
6553539
ADAPTER
30
6519195
ELBOW Use W/Hose
FITTING Use W/Tube
31
79K10
O RING 10 Was 91F-7 - A
32
79K16
O RING 10 Was 91F-10 - A
Выбрано товаров: 0