Качественные детали и логистика
Оригинальные и аналоговые запчасти с доставкой по России, Казахстану и Беларуси
©2022 PartSell ООО "Система" ИНН 2463123282 ОГРН 1212400004838
Центральный офис: г. Красноярск, Академика Киренского, д.87, пом.4
Телефон: 8 (800) 777-65-74 Email: zakaz@partsell.ru
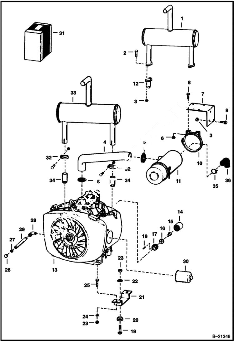
ENGINE & ATTACHING PARTS
№
Артикул
Название
Примечание
Количество
1
MUFFLER See BTI120 NLA
2
6559713
BOLT
3
61D6
NUT 5
4
HOSE NLA - Was 6552548 - A
5
42H32
HS CLAMP5 Was 42H000024B - B
6
61D5
NUT
7
BRACKET NLA - Was 6554367 - A
8
17C512
BOLT 5
9
37C616
BOLT Was 6514537 - A
10
335902
BAND mounting
11
6512160
AIR CLEANER
12
6553336
FLANGE
13
ENGINE See Illustration ENGINE/ B21345
14
6553540
COUPLER
15
96G616
SCREW allen head
16
6553541
WASHER
17
6553539
ADAPTER
18
7J3009
KEY square
19
17C836
20
6560633
DAMPENER shock - Was 327010B - A
21
6553334
BRACKET engine mounting
22
6515817
23
81D8
24
25E21
WASHER 5
25
17C824
26
6553573
PLUG
27
6553574
28
6553572
TUBE
29
29F4
ELBOW
30
6512143
FILTER filter
31
6513428
SHORT BLOCK See Illustration ENGINE/ B21345
32
3170912
CLAMP,MUF See BTI120
33
6560324
MUFFLER See BTI120
34
6553337
FLANGE See BTI120
35
17H38
CLAMP
36
6577597
HOSE Was 1318800B - A
Выбрано товаров: 0