Качественные детали и логистика
Оригинальные и аналоговые запчасти с доставкой по России, Казахстану и Беларуси
©2022 PartSell ООО "Система" ИНН 2463123282 ОГРН 1212400004838
Центральный офис: г. Красноярск, Академика Киренского, д.87, пом.4
Телефон: 8 (800) 777-65-74 Email: zakaz@partsell.ru
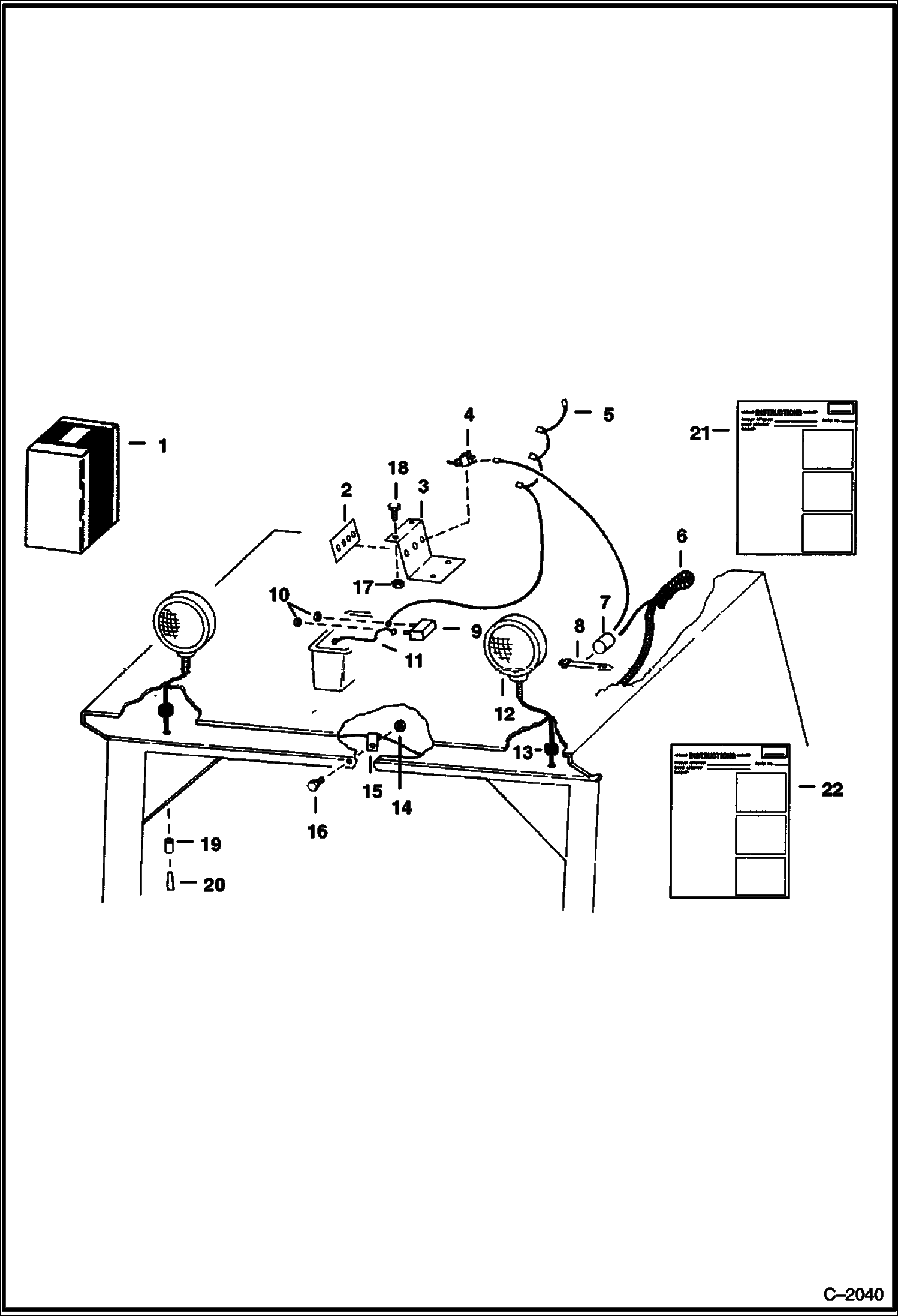
FLASHER LIGHTS
№
Артикул
Название
Примечание
Количество
1
KIT NLA - flasher - Ref. 4, 7, 8, 12, 13 & 21 - Order Components
KIT NLA - accessory components - Ref. 5, 6, 9-11, 14-18 & 22 - Order Components
2
6555381
DECAL
3
6555453
PLATE instrument
4
6515521
SWITCH
5
WIRE NLA
6
6555454
HARNESS wiring
7
6557904
FLASHER
8
6610510
TIE retaining - Was 1715312 - A
9
6519746
BREAKER circuit
10
14D10
NUT
11
12
6517516
LIGHT Was 6557903 - A
6517517
LENS
13
6554186
GROMMET
14
91D5
NUT 5 Was 81D-5 - A
15
30H11
CLIP
16
10C512
BOLT Was 6553808 - A
17
81D4
18
17C408
BOLT
19
614142
SLEEVE 10
20
6515131
TERMINAL
21
6549856
INSTRUCTIONS installation
22
6549861
Выбрано товаров: 0