Запчасти Bobcat 500s PANELS & SEAT MAIN FRAME

Схема запчастей Bobcat 500s - PANELS & SEAT MAIN FRAME
FIT
1:1
100%

Артикул

Название

Примечание

Количество

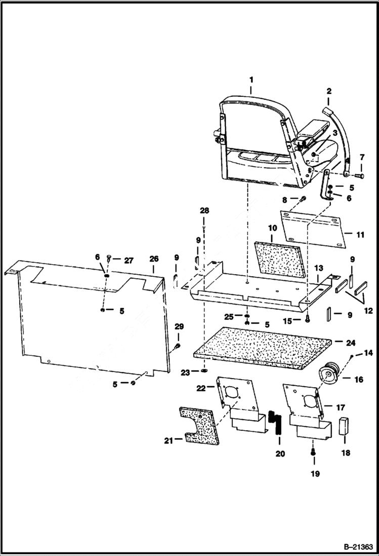
1

SEAT See Illustration SEAT/ B7184 NLA

2

SEAT BELT NLA - Order 6675074 seat belt & (2) of 6725373 spring plate - Was 6563214 - A

3

81D7

NUT

4

6552184

SEAT BELT

5

61D6

NUT 5

6

25E18

WASHER

7

17C716

BOLT

8

84G3712

BOLT 5 Was 6554437 - A

9

FOAM STRIP NLA

10

6554365

INSULATION

11

6554087

PLATE

12

FOAM STRIP NLA

13

PLATE NLA - seat - Was 6555648 - A

14

POP RIVET NLA

15

37C616

BOLT Was 6514537 - A

16

6532127

BOOT rubber - Was 6563540 - A

17

PANEL See BTI151 NLA - RH - Was 6561712

17

6563541

PANEL

18

FOAM STRIP NLA

19

84G3712

BOLT 5

20

BEADING 10'' - Order 2 feet of 6645705

21

6554366

INSULATION

22

6554097

PANEL L.H.

22

6561713

PANEL L.H.

22

6563542

PANEL L.H.

23

6555294

CLIP

24

6554364

INSULATION

25

4E6

WASHER

26

6553796

PANEL

27

17C612

BOLT 5

28

6555293

NAIL

29

17C620

BOLT

Выбрано товаров: 0