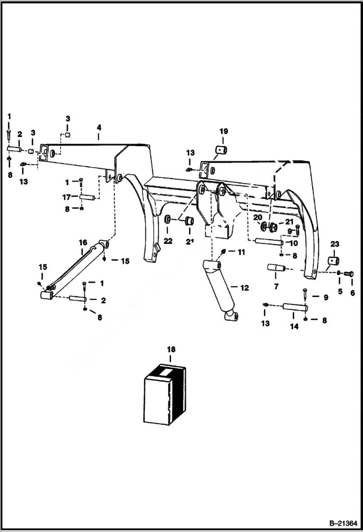
Запчасти Bobcat 500s LIFT ARM MAIN FRAME

Схема запчастей Bobcat 500s - LIFT ARM MAIN FRAME
FIT
1:1
100%

Артикул

Название

Примечание

Количество

1

17C636

BOLT

1

17C640

BOLT 5

2

6551663

PIN, PIVOT

2

6547595

PIN

3

6552920

BUSHING

4

LIFT ARM See BTI121 NLA

4

LIFT ARM NLA - Order 6711780 , 6706143 Bobtach & 6565503 Mount - Was 6562941 - A

5

6555455

WASHER

6

17C1020

BOLT 5 1.25'' (31,8 mm) long

6

31C1064

BOLT Was 17C0001064B - B

7

PIN NLA - Order 6707521 Pin Kit - Was 6555449 - A

7

6707521

PIN KIT W/6732012 Pin, 31C001064B Bolt & 6722967 Instructions

7

6732012

PIN, PIVOT Was 6707042 - A

7

6722967

INSTRUCTIONS

8

85D6

NUT, 5

9

17C632

BOLT 5

10

6704288

PIN, PIVOT Was 6553061

11

10H35

FITTING, GREASE 10 .250-28

12

6553161

CYLINDER See Illustration TILT CYLINDER/ B21377 See Illustration TILT CYLINDER/ B21376 TILT

13

10H25

FITTING, GREASE 5 .125-27

14

6554246

PIN

14

6703572

PIN, PIVOT Was 6560704

15

11H25

FITTING10

16

6553162

CYLINDER See Illustration LIFT CYLINDER/ B21375 See Illustration LIFT CYLINDER/ B2206 LIFT

16

6555993

CYLINDER See Illustration LIFT CYLINDER/ B21375 See Illustration LIFT CYLINDER/ B2206 LIFT

17

6549189

PIN

17

6547493

PIN

18

6558228

BUSHING See BTI121 Use when replacing Lift Arm

18

6558229

BUSHING See BTI121 Use when replacing Lift Arm or Upright

19

6578356

BUSHING Weld On

20

6555987

BUSHING weld on

21

6555989

BUSHING Weld On

22

6557095

BUSHING Weld On

23

6714874

BUSHING, WELD-ON weld-on-W/tapered hole - 1.25''(31,8 mm)

Выбрано товаров: 34