Качественные детали и логистика
Оригинальные и аналоговые запчасти с доставкой по России, Казахстану и Беларуси
©2022 PartSell ООО "Система" ИНН 2463123282 ОГРН 1212400004838
Центральный офис: г. Красноярск, Академика Киренского, д.87, пом.4
Телефон: 8 (800) 777-65-74 Email: zakaz@partsell.ru
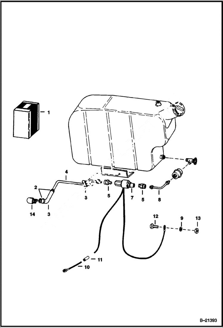
FUEL SOLENOID
№
Артикул
Название
Примечание
Количество
1
6559215
KIT fuel solenoid - Ref. 2 - 14 NLA order components
2
42HS04
CLAMP, HOSE Was 6515575 - A
3
6557832
HOSE
4
TUBE NLA - Was 6559187 - A
5
CONNECTOR NLA - Was 59F000004B - A
6
CLAMP NLA- Was 6512154 - A
7
7024822
SOLENOID, FUEL Was 6559117
8
6559152
TUBE
9
6E5
WASHER
10
30R104
TERMINAL
11
614142
SLEEVE 10
12
17C512
BOLT 5
13
61D5
NUT
14
6515156
CONNECTOR
Выбрано товаров: 0