Запчасти Bobcat 500s ENGINE ELECTRICAL S/N 12001 & Above ELECTRICAL SYSTEM

Схема запчастей Bobcat 500s - ENGINE ELECTRICAL S/N 12001 & Above ELECTRICAL SYSTEM
FIT
1:1
100%

Артикул

Название

Примечание

Количество

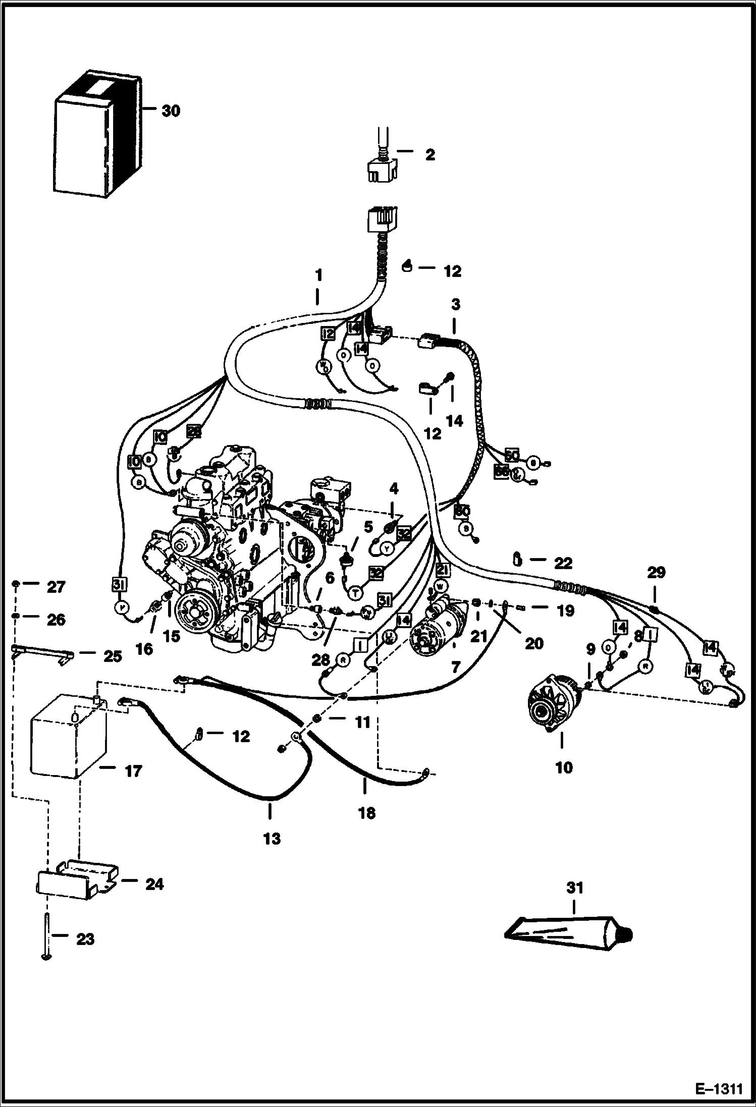
1

HARNESS NLA - engine - W/round main connector - Was 6558861 - A

1

6562836

HARNESS engine - W/rectangular main connector

2

HARNESS See Illustration CAB ELECTRICAL/ E1226 See Illustration CAB ELECTRICAL/ B21417 CAB

3

6557447

HARNESS wiring

4

6630821

SWITCH hydro. temp.

4

6598384

SWITCH hydro. temp.

5

6557449

SWITCH hydro. pressure

6

19F3

BUSHING

7

STARTER See Illustration STARTER/ B21420 See Illustration STARTER/ C2199

8

1DM6

NUT Was 4DM6 - A

9

6E4

WASHER 10

10

ALTERNATOR See Illustration ALTERNATOR/ B21419A See Illustration ALTERNATOR/ B21418

11

6E6

WASHER

12

30H46

CLIP

13

6557450

CABLE battery

14

5CM1016

BOLT

15

6557453

ADAPTER

16

6631010

SWITCH, PRESS OIL ENG eng. oil pressure

17

6669318

BATTERY Was 6665228 - A

17

6630154

CAP ``Danger''

17

6630155

CAP ``Poison''

17

CAP NLA - Was 6514898 - A

18

6557451

CABLE battery

19

17C510

BOLT

20

6E5

WASHER

21

61D5

NUT

22

CLIP NLA - Was 6502236 - A

23

6569623

BOLT

24

6558826

MOUNT battery

25

7024123

CLAMP Was 6563462 - A

26

25E15

WASHER

27

59D5

NUT 5

28

6512528

SWITCH engine temp.

29

3675725

DIODE

30

KIT See Illustration WIRE HARNESS CONNECTOR/ A2765 NLA - connector - Was 6563326 - A

31

6599360

SEALANT, ELEC .3 OZ electrical - tube - 3 oz

Выбрано товаров: 36