Запчасти Bobcat 500s ENGINE & ATTACHING PARTS POWER UNIT

Схема запчастей Bobcat 500s - ENGINE & ATTACHING PARTS POWER UNIT
FIT
1:1
100%

Артикул

Название

Примечание

Количество

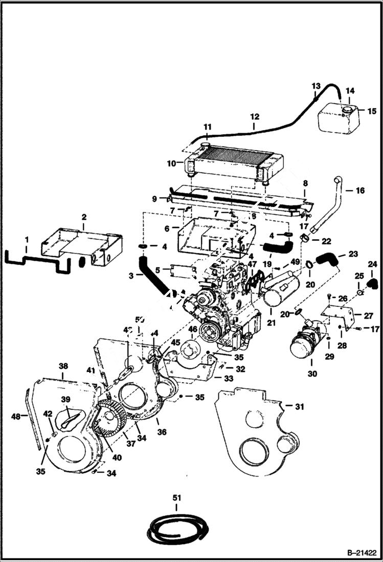
1

MOULDING NLA - Was 6557749 - A

2

HOUSING See BTI138 NLA - Was 6558513 - A

3

6557286

HOSE

4

42H32

HS CLAMP5

5

COVER See BTI138 NLA - Was 6558836 - A

6

HOUSING See BTI138 NLA - Was 6558837 - A

7

6558838

BRACKET See BTI138

8

6562672

MOUNT radiator

9

6555988

MOULDING

10

6557255

RADIATOR

11

6630156

CAP

12

6557302

HOSE

13

1023368

GROMMET

14

6555891

TANK

15

6702797

CAP Was 6558658 - A

16

6557299

PIPE

17

35C616

BOLT 5 Was 6514537 - A

18

35C608

BOLT Was 6557232 - A

19

6557285

HOSE

20

42H32

HS CLAMP5 Was 42H000024B - B

21

6557300

MUFFLER manifold

22

3170912

CLAMP,MUF

23

6557165

HOSE

24

6577597

HOSE Was 1318800B - A

25

17H38

CLAMP

26

17C512

BOLT 5

27

BRACKET NLA - Was 6554367 - A

28

61D6

NUT 5

29

61D5

NUT

30

6512160

AIR CLEANER See Illustration AIR CLEANER/ B17728

31

HOUSING See BTI138 NLA

32

1CM1425

BOLT Was 4CM1425 - A

33

6558472

BRACKET

34

84G3712

BOLT 5 Was 8463712 - A

35

6512897

NUT

36

6558894

HOUSING See BTI138

37

6558441

FAN

38

HOUSING See BTI138 NLA

38

6558895

HOUSING See BTI138

39

6558527

WIPER

40

1CM850

BOLT

41

6558664

SPACER

42

25E17

WASHER 5

43

17C656

BOLT

44

6558512

BRACKET

45

1CM825

BOLT Was 4CM825 - A

46

6558443

ADAPTER

47

6512716

GASKET

48

STRIP NLA - weather - 53'' (1346,2 mm) long - Order Ref. 51 - Was 6558683 - A

49

1CM820

BOLT Was 4CM820 - A

50

6630207

RIVET 5 Was 6512797 - A

51

6519286

STRIP Weather - bulk - sold per foot

Выбрано товаров: 52