Запчасти Bobcat 500s SINGLE POINT LIFT ACCESSORIES & OPTIONS

Схема запчастей Bobcat 500s - SINGLE POINT LIFT ACCESSORIES & OPTIONS
FIT
1:1
100%

Артикул

Название

Примечание

Количество

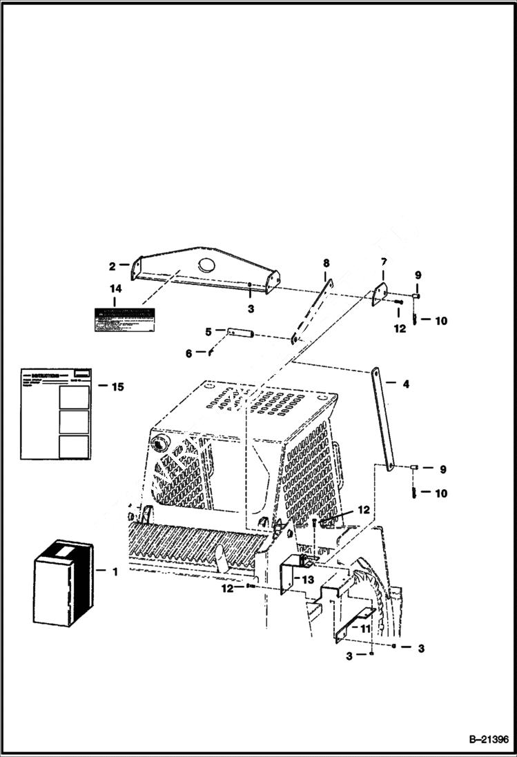
1

6568281

KIT Ref. 2 - 14

2

6568182

ANGLE

3

85D8

NUT, 5

4

6568278

ARM

5

6568193

PIN

6

6005562

PIN

7

6568184

MOUNT

8

6568279

ARM Was 6568179 - D

9

6567838

PIN

10

1320075

PIN, COTTER

11

6568190

BRACE

12

17C824

BOLT 5

13

6568188

MOUNT R.H.

13

6568189

MOUNT L.H.

14

6565932

DECAL

15

6566946

INSTRUCT

Выбрано товаров: 16