Запчасти Bobcat 500s PANELS MAIN FRAME

Схема запчастей Bobcat 500s - PANELS MAIN FRAME
FIT
1:1
100%

Артикул

Название

Примечание

Количество

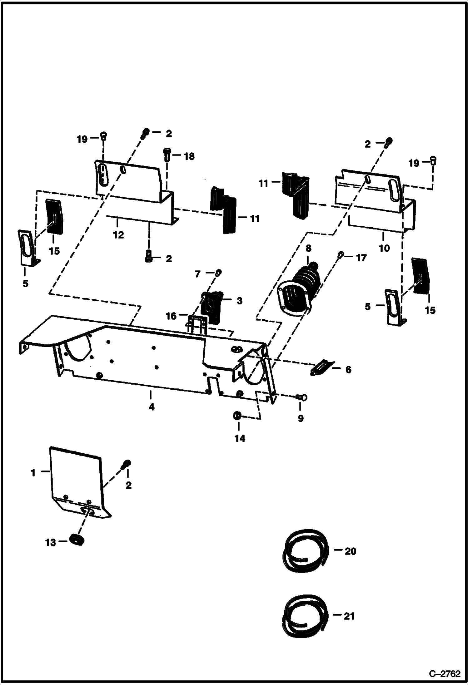
1

6562807

SHIELD

2

84G3716

SCREW 5

3

BOOT NLA - Order 6571648 Boot - Was 6565013 - A

3

BOOT NLA - W/Metal Insert - Was 6571648 - A

4

6564672

SHIELD

5

6564982

RETAINER

6

MOULDING NLA - Order Ref. 20 - 4.5'' (11,4 mm) long

7

6630207

RIVET 5 Was 6512797 - A

8

6532127

BOOT rubber - Was 6563540 - A

9

37C616

BOLT carriage - Was 6514537 - A

10

6564670

SHIELD If Both Shield and Floor Plate are Slotted Use Bolt, Washer & Nut

11

MOULDING NLA - Order Ref. 21 - 9.5'' (24,1 mm) long

12

6564671

SHIELD If Both Shield and Floor Plate are Slotted, Use Bolt, Washer & Nut

13

6553653

GROMMET

14

57D6

NUT 5

15

6564976

SEAL foam block

16

6565014

RETAINER Not Use W/6571648 Boot

17

6630207

RIVET 5 Was 6513493 - A

18

84G3712

BOLT 5

19

6630207

RIVET 5 Was 6598092 - A

20

6646705

SEAL bulk - Sold Per Foot - Was 6559764 - A

21

6513152

SEAL bulk - sold per foot

Выбрано товаров: 22