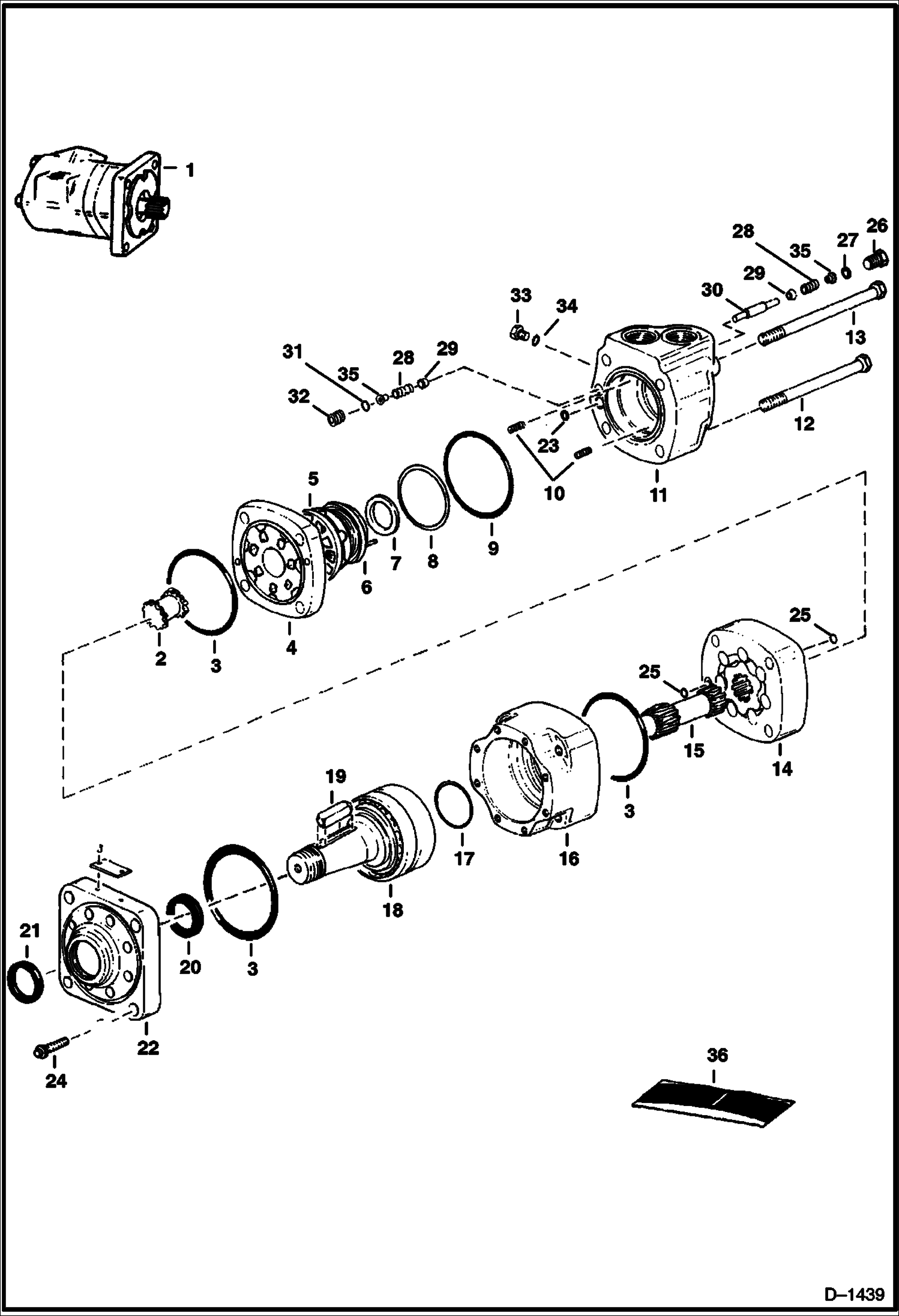
Запчасти Bobcat 500s HYDROSTATIC MOTOR (Model 109-1052-006 & Above) (Tapered Shaft) HYDROSTATIC SYSTEM
№
Артикул
Название
Примечание
Количество
1
6599718
MOTOR, DRIVE HYD New
1
6630245REM
MOTOR, REMAN HYD remanufactured - Was 6630245 - A
2
6513506
DRIVE
3
SEAL NSS
4
6513505
PLATE valve
5
6513507
VALVE
6
6630042
PLATE balancing
7
SEAL NSS - Inner
8
SEAL NSS - Outer
9
SEAL NSS
10
6190121
SPRING
11
6599605
HOUSING valve
12
18C788
BOLT
13
18C792
BOLT
14
6513504
GEROLER
15
6630373
SHAFT
16
6513501
HOUSING bearing
17
SEAL NSS
18
6630088
DRIVE SHAFT drive
19
6630089
KEY
20
SEAL NSS - shaft
21
SEAL NSS - dust
22
6630087
COVER front
23
O-RING NSS
24
94G516
BOLT 5
25
O-RING NSS
26
47K5
PLUG W/Ref. 27
27
79K6
O RING 10
28
6513533
SPRING
29
6513532
POPPET
30
6513510
PISTON
31
58K012
O-RING 10
32
PLUG W/Ref. 31 NLA - W/Ref. 31 - Was 6513534 - A
33
47K2
PLUG W/Ref. 34
34
79K3
O RING 10
35
6561218
SHUTTLE
36
7010366
KIT, SEAL Ref. 3, 7 - 9, 17, 20, 21, 23 & 25 - Was 6632040 - B
Выбрано товаров: 37