Запчасти Bobcat 500s ENGINE & ATTACHING PARTS POWER UNIT

Схема запчастей Bobcat 500s - ENGINE & ATTACHING PARTS POWER UNIT
FIT
1:1
100%

Артикул

Название

Примечание

Количество

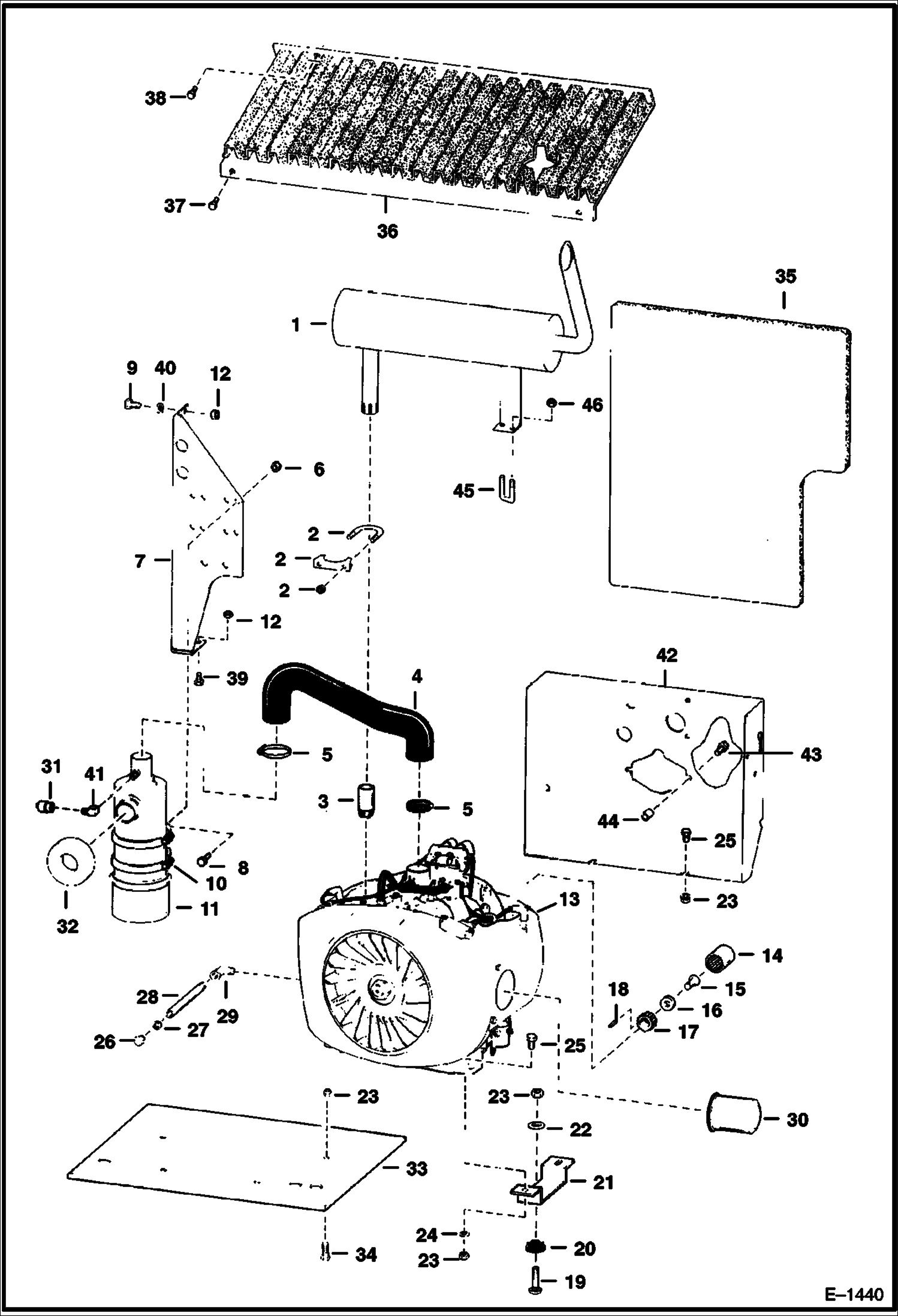
1

6564013

MUFFLER spark arrestor

2

656597

CLAMP

3

6564178

PIPE

4

6564537

HOSE

5

42H32

HS CLAMP5 Was 42H000024B - A

6

61D5

NUT

7

6563905

MOUNT

8

17C510

BOLT

9

37C616

BOLT Was 6514537 - A

10

335902

BAND mounting

11

AIR CLEANER See Illustration AIR CLEANER/ D1535 See Illustration AIR CLEANER/ C1024

12

61D6

NUT 5

13

ENGINE See Illustration ENGINE/ B17679

14

6553540

COUPLER

15

96G616

SCREW

16

6553541

WASHER

17

6553539

ADAPTER

18

7J3009

KEY square

19

31C844

BOLT

20

6560633

DAMPENER shock

21

6553334

BRACKET engine mounting

22

6515817

WASHER

23

85D8

NUT, 5

24

25E21

WASHER 5

25

17C824

BOLT 5

26

6553573

PLUG

27

6553574

WASHER

28

6553572

TUBE

29

29F4

ELBOW

30

6512143

FILTER filter

31

1735188

INDICATR

32

6564538

INSULATION

33

6564539

COUNTERWEIGHT

34

31C824

BOLT 10

35

6564404

INSULATION

36

6567866

GRILL

37

84G3112

BOLT 5

38

84G3712

BOLT 5

39

17C612

BOLT 5

40

6E6

WASHER

41

ELBOW NLA - Was 620558B - A

42

6563640

SHIELD

43

17C620

BOLT

44

6564180

SPACER

45

6564872

U-BOLT

46

83D5

NUT 5

Выбрано товаров: 46