Качественные детали и логистика
Оригинальные и аналоговые запчасти с доставкой по России, Казахстану и Беларуси
©2022 PartSell ООО "Система" ИНН 2463123282 ОГРН 1212400004838
Центральный офис: г. Красноярск, Академика Киренского, д.87, пом.4
Телефон: 8 (800) 777-65-74 Email: zakaz@partsell.ru
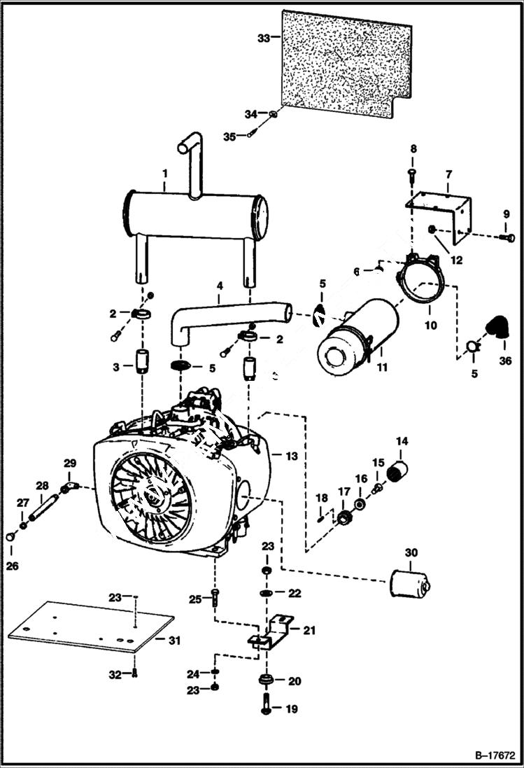
ENGINE & ATTACHING PARTS
№
Артикул
Название
Примечание
Количество
1
6560324
MUFFLER
2
3170912
CLAMP,MUF
3
6553337
FLANGE
4
HOSE NLA - Was 6552548 - A
5
42H32
HS CLAMP5 Was 6513595 - A
6
61D5
NUT
7
BRACKET NLA - Was 6554367 - A
8
17C512
BOLT 5
9
37C616
BOLT Was 6514537 - A
10
335902
BAND mounting
11
6512160
AIR CLEANER See Illustration AIR CLEANER/ C1024
12
61D6
NUT 5
13
See Illustration ENGINE/ D1293 NLA - Order 6561723REM engine - A
14
6553540
COUPLER
15
96G616
SCREW
16
6553541
WASHER
17
6553539
ADAPTER
18
7J3009
KEY square
19
31C844
BOLT
20
6560633
DAMPENER rubber
21
6553334
BRACKET
22
6515817
23
85D8
NUT, 5
24
25E21
WASHER 5
25
17C824
26
6553573
PLUG
27
6553574
28
6553572
TUBE
29
29F4
ELBOW
30
6512143
FILTER
31
COUNTERWEIGHT NLA - Was 6563118 - A
32
31C824
BOLT 10
33
6562783
INSULATION
34
6555294
CLIP
35
6555293
NAIL
36
6577597
HOSE
Выбрано товаров: 0