Запчасти Bobcat 500s MAIN FRAME MAIN FRAME

Схема запчастей Bobcat 500s - MAIN FRAME MAIN FRAME
FIT
1:1
100%

Артикул

Название

Примечание

Количество

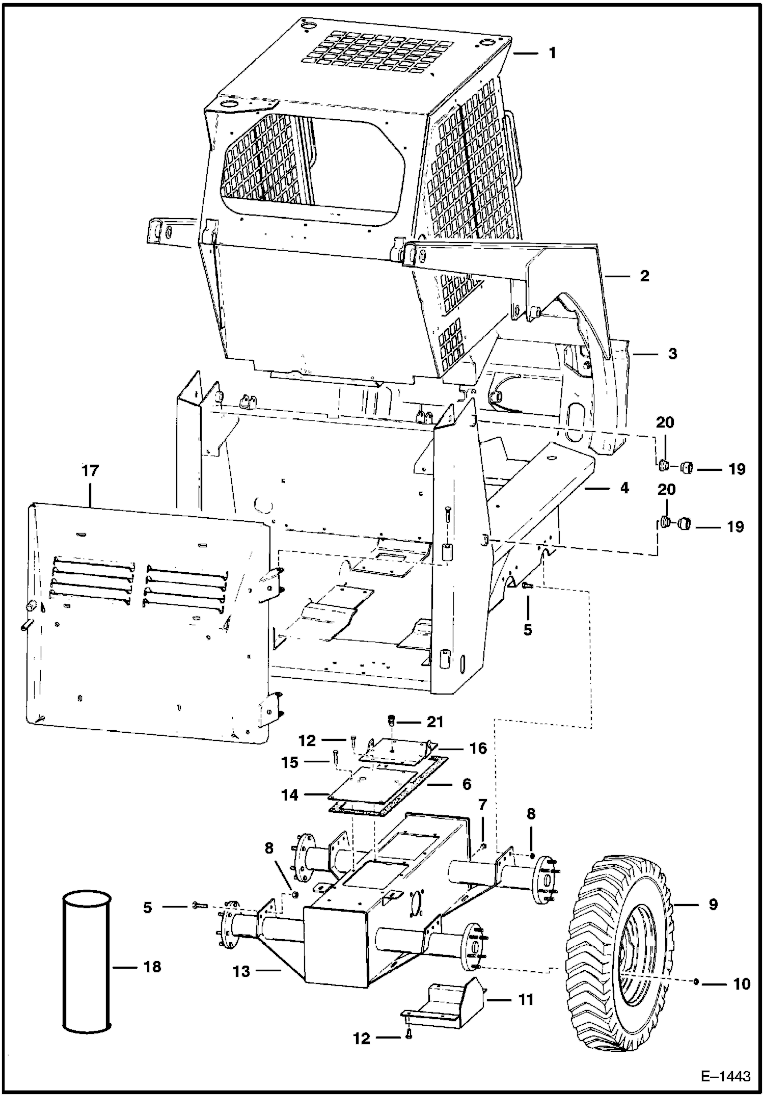
1

OPERATOR CAB See Illustration OPERATOR CAB/ E1432

2

LIFT ARM See Illustration LIFT ARMS & BOB-TACH/ B17674

3

BOB-TACH See Illustration BOB-TACH/ C2658

4

6565269

MAIN FRAME

4

MAIN FRAME NLA - Was 6568208 - A

5

31C820

BOLT

6

6703117

GASKET, TRANSMISSION Was 6553833 - A

7

40K12

PLUG

8

83D8

NUT 5

9

TIRE & RIM See Illustration TIRES & RIMS/ B17671

10

6557188

NUT wheel - 1/2''

10

6564669

NUT, 10 wheel - 9/16''

11

6564918

COVER Was 6703916 - B

12

84G3716

SCREW 5

13

CHAINCASE See Illustration DRIVE TRAIN/ D1692 See Illustration DRIVE TRAIN/ D1616

14

6554088

COVER

15

84G3712

BOLT 5

16

COVER See Illustration DISC BRAKE/ D1565

17

REAR DOOR See Illustration REAR DOOR/ B17673

18

6632501

SEALANT chaincase covers

19

6564582

BUSHING Weld On

20

6564583

BUSHING Weld On

21

6632601

BREATHER

Выбрано товаров: 23