Запчасти Bobcat 500s BOB-TACH (50s Series Style) MAIN FRAME

Схема запчастей Bobcat 500s - BOB-TACH (50s Series Style) MAIN FRAME
FIT
1:1
100%

Артикул

Название

Примечание

Количество

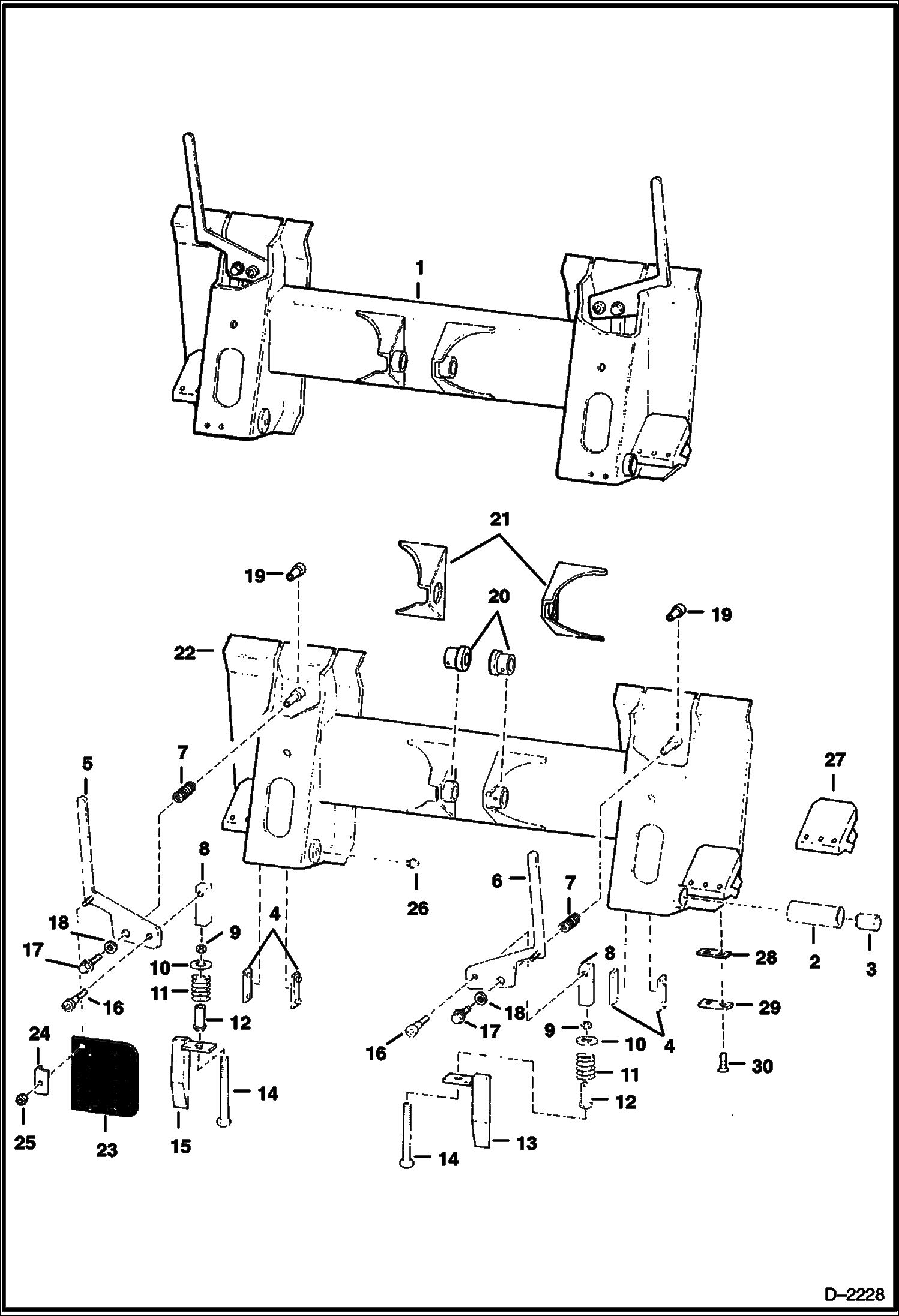
1

6706143

BOBTACH-553 See Illustration DECALS/ B17746 & Also Order 6561383 Decal - Ref. 2-30 - Was SALES - A

2

6565326

BUSHING Weld on

3

6589665

BUSHING Was 6534387 - A

4

6562026

INSERT

5

6563106

LEVER L.H. - Was 6579698 - A

6

6563107

LEVER RH - 6579697 - A

7

6704453

SPRING

8

6565186

BLOCK, BOB-TACH WEDGE

9

7D8

NUT 5

10

25E21

WASHER 5

11

6578253

SPRING, COMPRESSION Was 6562018 - A

12

6562019

GUIDE

13

6565189

WEDGE RH

14

17C884

BOLT

15

6565190

WEDGE LH

16

38C810

BOLT

17

35C610

BOLT 5

18

619021

WASHER, 5

19

6553843

STUD

20

6562642

BUSHING, WELD-ON Weld On

21

6559609

BRACE Weld on

22

FRAME NLA - Order Ref. 1

23

6563103

COVER rubber

24

6563108

ANGLE

25

85D6

NUT, 5

26

743332

FITTING, GREASE 5

27

6704600

STOP RH - weld on - shown

27

6704601

STOP LH - weld on - not shown

28

6579106

SHIM

29

6579104

SHIM

30

9G620

BOLT 5

Выбрано товаров: 31