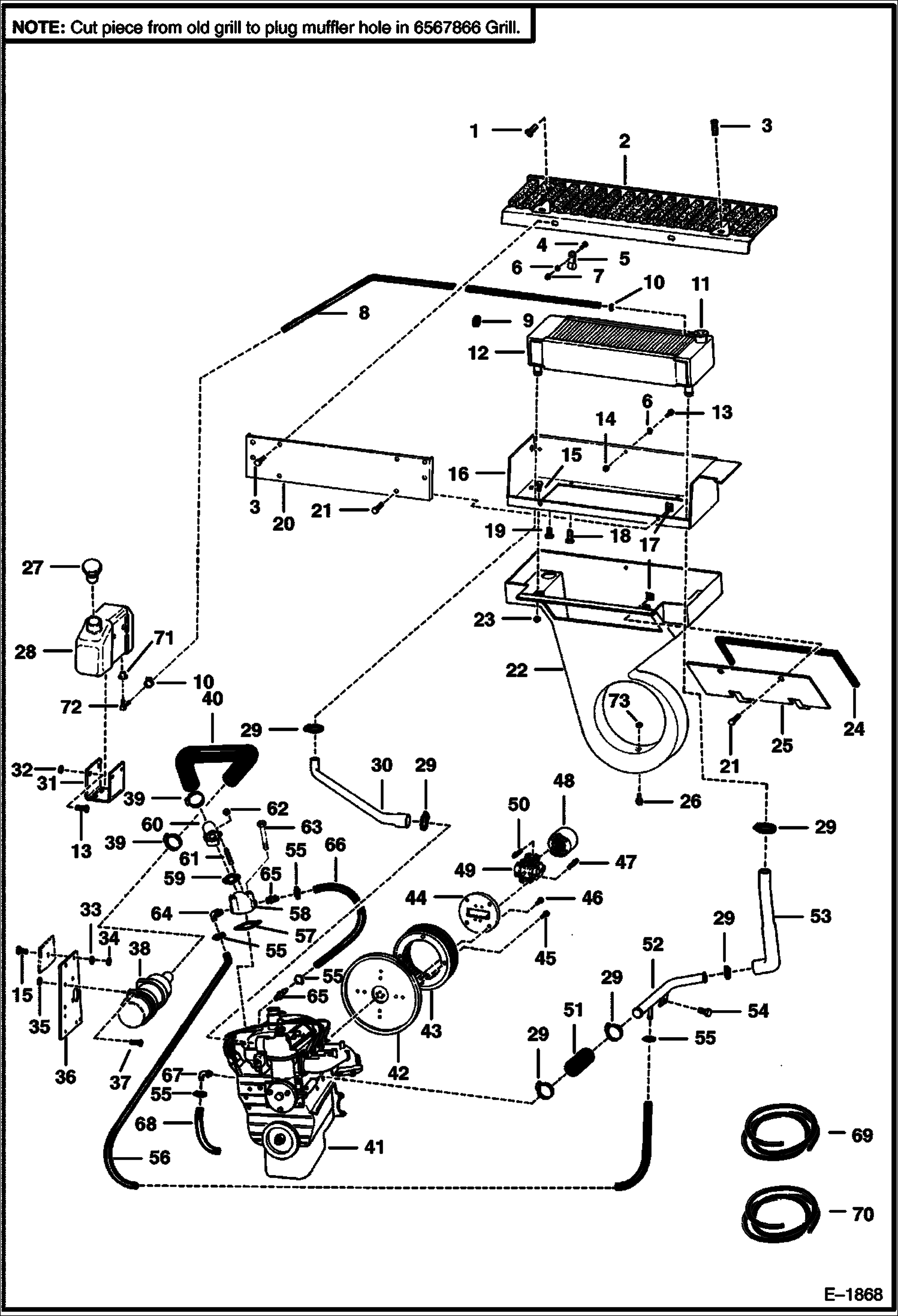
Запчасти Bobcat 500s ENGINE & ATTACHING PARTS (S/N 11999 & Below) POWER UNIT

Схема запчастей Bobcat 500s - ENGINE & ATTACHING PARTS (S/N 11999 & Below) POWER UNIT
FIT
1:1
100%

Артикул

Название

Примечание

Количество

1

84G3712

BOLT 5

2

6567866

GRILL SEE NOTE - Was 6578344 - A

3

84G3112

BOLT 5

4

37C516

BOLT Was 6565089 - A

5

30H34

CLAMP

6

774220

NUT

7

85D5

NUT 5

8

6577822

HOSE bulk - sold per foot

9

1303932

GROMMET

10

42HS04

CLAMP, HOSE Was 6515575 - A

11

6666606

RADIATOR CAP Radiator - Was 6630156 - A

12

6578683

RADIATOR

13

10C512

BOLT Was 6553808 - A

14

83D5

NUT 5

15

37C616

BOLT Was 6514537 - B

16

6578685

BRACKET

17

1323182

NUT

18

35C508

BOLT

19

35C512

BOLT Was 35C000510B - B

20

6578686

SHIELD

21

35C512

BOLT

22

6578684

HOUSING, BLOWER

23

85D6

NUT, 5

24

6564969

STRIP foam

25

6579145

COVER Was 6563821 - A

26

RIVET NLA - Order 35C000620B Bolt & Ref. 73 (59D000006B Nut) - Was 1316539 - A

26

35C620

BOLT 5

27

6702797

CAP Was 6558658 - A

28

6576660

TANK, WATER COOLANT W/bottom molded barbed elbow

28

6562509

TANK Use W/Ref. 71 & 72

29

6518820

CLAMP

30

6578712

HOSE

31

6562599

MOUNT

32

57D5

NUT

33

6512909

CLIP

34

57D6

NUT 5

35

61D5

NUT

36

6578282

BRACKET

37

17C510

BOLT

38

AIR CLEANER See Illustration AIR CLEANER/ B17728

39

42H32

HS CLAMP5 Was 42H000024B - B

40

HOSE NLA - Was 6578255 - A

41

ENGINE See Illustration ENGINE/ B17766

42

6700509

FLYWHEEL W/Ring Gear - Was 6578495 - A

42

6632467

RING GEAR

43

6578682

BLOWER WHEEL

44

6562873

ADAPTER, YOKE

45

17C612

BOLT 5

46

17C620

BOLT

47

94G510

BOLTS 5

48

YOKE See Illustration UNIVERSAL JOINT/ B17600

49

U-JOINT See Illustration UNIVERSAL JOINT/ B17600

50

94G512

BOLTS 5

51

6614245

HOSE bulk - Sold Per Foot - Was 6625840 - A

52

6578274

TUBE

53

HOSE NLA - Was 6578711 - A

54

4CM1012

BOLT

55

42H12

CLAMP 10 Was 6512374 - A

56

HOSE NLA - 42'' (1066,8 mm) long - Order Ref. 69

57

6578211

GASKET

58

ADAPTER NLA - Was 6578197 - A

59

6578210

GASKET

60

CARBURETOR See Illustration CARBURETOR/ C3080

61

6578556

STUD

62

61D4

NUT 5

63

1CM870

BOLT

64

6578551

ELBOW

65

6578550

FITTING

66

HOSE NLA - 14'' (355,6 mm) long - Order Ref. 69

67

6598353

ELBOW

68

HOSE NLA - 9'' (228,6 mm) long - Order Ref. 70 - Was 6578552 - A

69

6565977

HOSE bulk - Sold Per Foot

70

6578169

HOSE bulk - sold per foot - 0.19'' ID

71

6553411

BUSHING

72

6553412

ELBOW

73

59D6

NUT

Выбрано товаров: 76