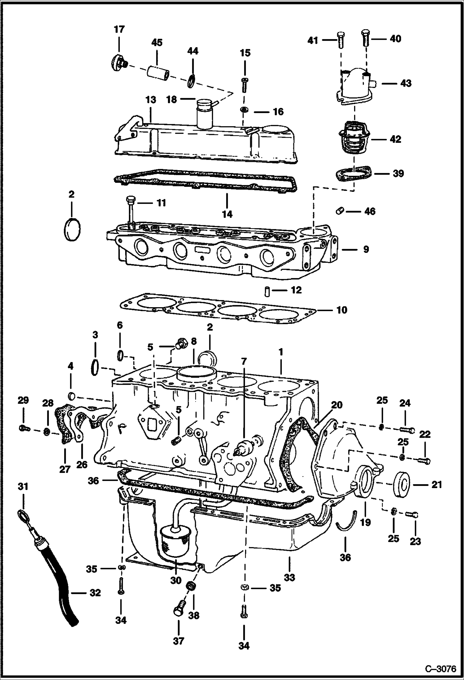
Запчасти Bobcat 500s CYLINDER BLOCK (S/N 11999 & Below) POWER UNIT

Схема запчастей Bobcat 500s - CYLINDER BLOCK (S/N 11999 & Below) POWER UNIT
FIT
1:1
100%

Артикул

Название

Примечание

Количество

1

BLOCK NLA - Was 6649574 - A

2

6648191

PLUG 1 is package of 10

3

PLUG NLA - 1 Is Package Of 10 - Was 6512915 - A

4

6649606

PLUG Was 6649576 - A

5

PLUG NLA - Was 6649577 - A

6

6648193

BALL PLUG

7

6648194

SWITCH oil pressure

8

6648196

LINER

9

HEAD NLA - Was 6649579 - A

10

6646504

HEAD GASKET

11

BOLT NLA - Was 6648160 - A

12

6648161

DOWEL

13

6578330

COVER

14

6646505

GASKET

15

BOLT NLA - Was 6646506 - A

16

6646507

WASHER

17

BREATHER NLA - Was 6599445 - A

18

6646508

CAP oil fill

19

COVER NLA - W/Ref. 21 - Was 6648168 - A

20

6646509

GASKET Was 6654248 - A

21

6648169

SEAL

22

1CM650

SCREW

23

BOLT NLA - Was 6646517 - A

24

6649583

BOLT 1 is package of 10

25

6646522

WASHER Was 6649584 - A

26

6654249

GASKET Was 6648211 - A

27

6648212

COVER

28

WASHER NLA - Was 6646522 - A

29

6646514

BOLT 1 is package of 10

30

TUBE NLA - oil pickup - Was 6648171 - A

31

6648174

DIPSTICK

32

TUBE NLA - dipstick - Was 6648175 - A

33

OIL PAN NLA - Was 6648176 - A

34

BOLT NLA - 1 is package of 5 - Was 6649597 - A

35

6649598

WASHER

36

6646512

GASKET Oil Pan W/ Half Seal - Was 6646572 - A

37

6646513

PLUG

38

6646547

GASKET

39

6512505

GASKET

40

1CM860

BOLT

41

1CM820

BOLT Was 4CM820 - A

42

6649601

THERMOSTAT

43

WATER OUTLET NLA - Was 6578137 - A

44

44H16

CLAMP Was 6666865 - A

45

HOSE NLA - 2.75'' (69,9 mm) long - Order (1) of 6578172 bulk hose - Was 6578604 - A

46

40K2

PLUG

Выбрано товаров: 46