Качественные детали и логистика
Оригинальные и аналоговые запчасти с доставкой по России, Казахстану и Беларуси
©2022 PartSell ООО "Система" ИНН 2463123282 ОГРН 1212400004838
Центральный офис: г. Красноярск, Академика Киренского, д.87, пом.4
Телефон: 8 (800) 777-65-74 Email: zakaz@partsell.ru
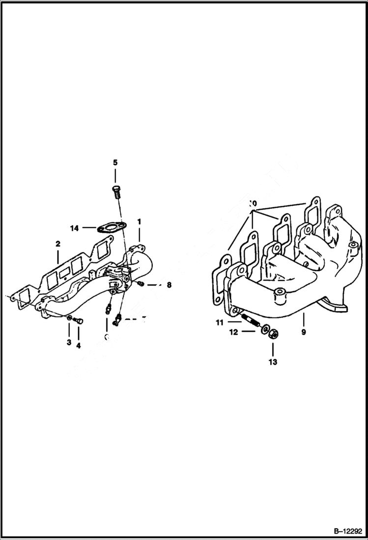
INTAKE & EXHAUST MANIFOLDS (S/N 11999 & Below)
№
Артикул
Название
Примечание
Количество
1
MANIFOLD NLA - intake - Was 6646525 - A
2
GASKET NLA - Was 6646526 - A
3
WASHER NLA - Was 6649603 - A
4
BOLT NLA - 1 is package of 10 - Was 6649596 - A
5
6563005
BOLT
6
6578551
ELBOW
7
6598353
8
6649606
PLUG
9
6646523
MANIFOLD exhaust
10
6646524
GASKET
11
6648179
STUD
12
WASHER NLA - Was 6649607 - A
13
NUT NLA - Was 6649608 - A
14
6578211
Выбрано товаров: 0