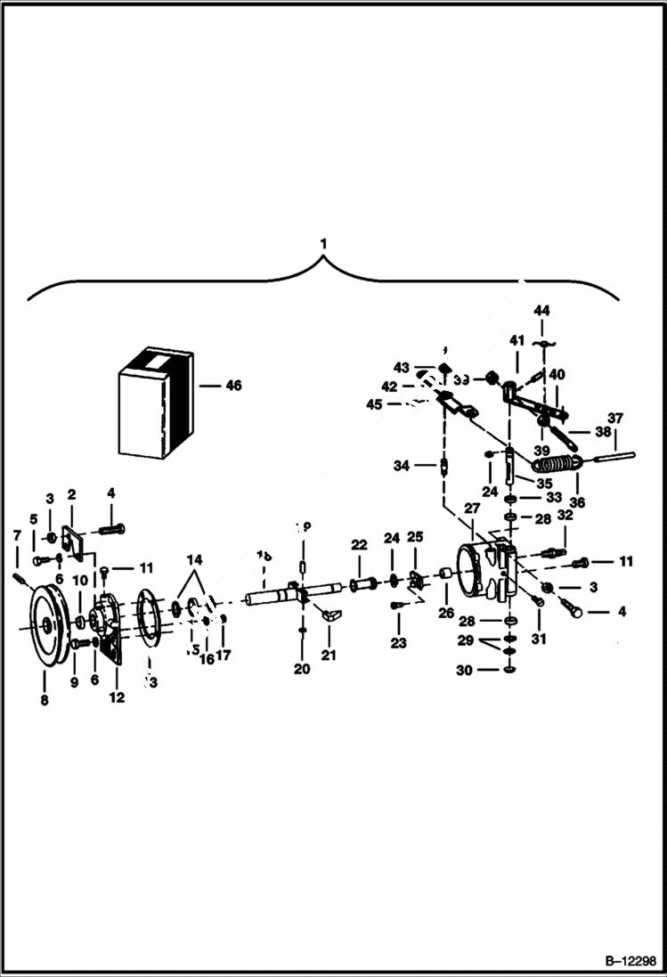
Запчасти Bobcat 500s GOVERNOR POWER UNIT

Схема запчастей Bobcat 500s - GOVERNOR POWER UNIT
FIT
1:1
100%

Артикул

Название

Примечание

Количество

1

6649547

GOVERNOR

2

BRACKET NSS

3

NUT NSS

4

BOLT NSS

5

BOLT NSS

6

6513934

WASHER

7

685218

PIN

8

6513933

PULLEY

9

45G1212

BOLT

10

SEAL NSS

11

40K2

PLUG

12

COVER NSS

13

GASKET NSS

14

RETAINER NSS - Ring

15

BEARING NSS

16

WASHER NSS

17

BOLT NSS

18

SHAFT NSS

19

PIN NSS

20

CLIP NSS

21

FLYWEIGHT NSS

22

SLEEVE THRUST NSS

23

SCREW NSS

24

RETAINER NSS - Ring

25

LEVER NSS

26

BEARING NSS

27

BODY NSS

28

BEARING NSS

29

SPACER NSS

30

PLUG NSS

31

PLUG NSS

32

958509

BUMPER

33

SEAL NSS

34

STUD NSS

35

SHAFT NSS

36

6513938

SPRING

37

PIN NLA - Was 6513954 - A

38

6513953

EYEBOLT

39

62D5

NUT

40

6646499

LEVER ASSY. throttle

41

14J1210

PIN Was 664131 - A

42

6664288

LEVER ASSY. speed - Was 6649664 - A

43

NUT NSS

44

SPRING NSS - torsion

45

11H25

FITTING10

46

6649663

KIT Ref. 10, 13 & 33

46

6649662

KIT Ref. 10, 13-15 & 18-22

Выбрано товаров: 47