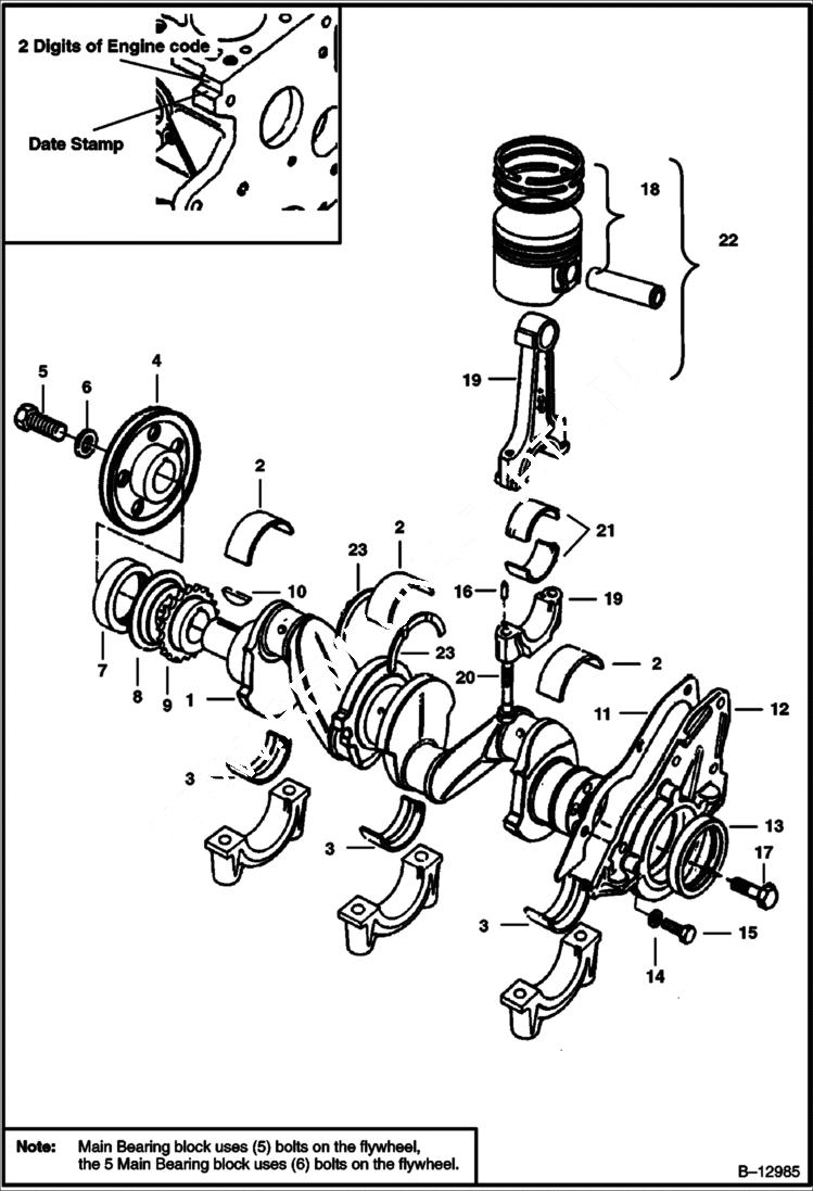
Запчасти Bobcat 500s CRANKSHAFT & PISTONS (S/N 12001 & Above) POWER UNIT

Схема запчастей Bobcat 500s - CRANKSHAFT & PISTONS (S/N 12001 & Above) POWER UNIT
FIT
1:1
100%

Артикул

Название

Примечание

Количество

1

CRANKSHAFT NLA - 3 Main Bearing - Was 6654294 - A

1

6654295

CRANKSHAFT 5 Main Bearing

2

6654296

BEARING main (Std. OD - Std. ID) - 1/2 Bearing Upper - AA

2

BEARING NLA - main (Std. OD - .005 US ID) - 1/2 Bearing Upper - BA - Was 6654297 - A

2

6654298

BEARING main (Std. OD - .010 US ID) - 1/2 Bearing Upper - CA

2

6654300

BEARING main (Std. OD - .020 US ID) - 1/2 Bearing Upper - EA

2

BEARING NLA - main (Std. OD - .030 US ID) - 1/2 Bearing Upper - FA - Was 6654301 - A

2

BEARING NLA - main (.015 OS OD - Std. ID - 1/2 Bearing Upper - DA - Was 6654299 - A

2

BEARING NLA - main (.015 OS OD - .010 US ID) - 1/2 Bearing Upper - GA - Was 6654302 - A

2

BEARING NLA - main (.015 OS OD - .020 US ID) - 1/2 Bearing Upper - HA - Was 6654303 - A

3

6661434

BEARING main (Std. OD - Std. ID) - 1/2 Bearing Lower

3

BEARING NLA - main (Std. OD - .005 US ID) - 1/2 Bearing Lower - Was 6662883 - A

3

6654298

BEARING main (Std. OD - .010 US ID) - 1/2 bearing lower - Was 6662884 - A

3

6662886

BEARING Main (Std. OD - .020 US ID) - 1/2 Bearing Lower - Was 6662885 - B

3

6662887

BEARING Main (Std. OD - .030 US ID) - 1/2 Bearing Lower - Was 6662886 - B

3

6662885

BEARING Main (.015 OS OD - Std. ID) - 1/2 Bearing Lower - Was 6662887 - B

3

6662888

BEARING main (.015 OS OD - .010 US ID) - 1/2 Bearing Lower

3

6662889

BEARING main (.015 OS OD - .020 US ID) - 1/2 Bearing Lower

4

6654306

PULLEY

5

6654307

BOLT

6

WASHER NLA - Was 6649594 - A

7

6648169

SEAL Was 6648209 - A

8

6648210

SLINGER oil - Was 6654308 - A

9

SPROCKET NLA - Was 6512442 - A

10

6512641

KEY

11

6654249

GASKET

11

6654250

GASKET

12

6648212

COVER

12

6654309

COVER

13

6654252

SEAL crankshaft - Was 6654251 - A

13

7030192

SEAL Was 6512490 - A

14

WASHER NLA - Was 6646522 - A

15

6646514

BOLT

16

6648227

DOWEL

17

6646511

BOLT

18

6662786

RINGS Std. - For one Piston - Was 6648217 - A

18

6662787

RINGS .020 OS - For one Piston - Was 6648218 - A

18

RINGS NLA - .040 OS - For one Piston - Was 6662788 - A

19

6662832

ROD connecting - Was 6648220 - A

20

6654317

BOLT

21

6654318

BEARING Rod (Std.)

21

6654319

BEARING Rod (.001 US) - 1/2 Bearing

21

6654320

BEARING Rod (.010 US) - 1/2 Bearing

21

6654321

BEARING Rod (.020 US) - 1/2 Bearing

21

6654322

BEARING Rod (.030 US) - 1/2 Bearing

22

6654310

PISTON ASSY. W/Pins & Rings (Std.)

22

6654311

PISTON ASSY. W/Pins & Rings (.020 OS)

22

PISTON ASSY. NLA - W/Pins & Rings (.040 OS) - Was 6654312 - A

23

6654304

WASHER thrust (Std.) - 1/2 Washer

23

6654305

WASHER thrust (.015) - 1/2 Washer

Выбрано товаров: 50