Запчасти Bobcat 500s OIL PUMP & OIL PAN (S/N 12001 & Above) POWER UNIT

Схема запчастей Bobcat 500s - OIL PUMP & OIL PAN (S/N 12001 & Above) POWER UNIT
FIT
1:1
100%

Артикул

Название

Примечание

Количество

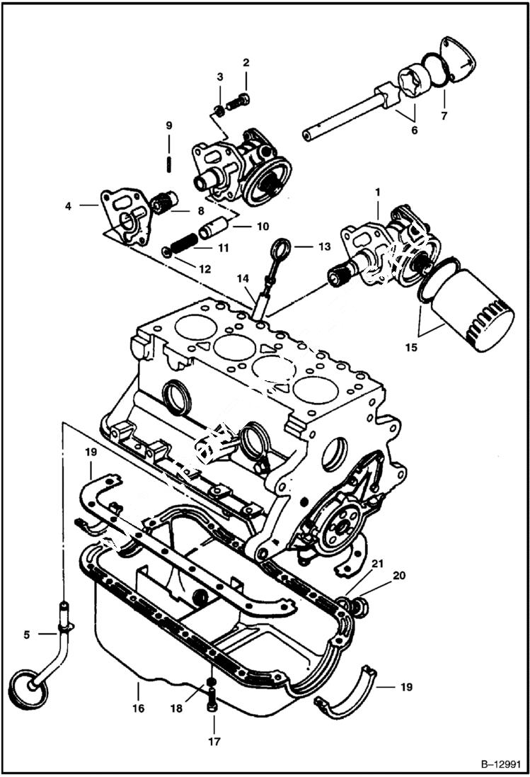
1

6648170

PUMP oil - W/Ref. 6 - 12

2

6654323

BOLT

3

WASHER NLA - Was 6646522 - A

4

6654324

GASKET

5

6654325

TUBE oil pickup

6

ROTOR & SHAFT NSS - assy. - Was 6512480 - A

7

6630080

O-RING

8

6512483

GEAR

9

6648172

PIN Was 6548172 - D

10

PLUNGER NLA - Was 6512487 - A

11

SPRING NLA - Was 6512486 - A

12

PLUG NLA - Was 6648173 - A

13

DIPSTICK NLA - Was 6654326 - A

14

6654327

TUBE

15

6647672

ELEMENT oil filter - Was 6654328 - A

16

OIL PAN NLA - 3 Main Bearing - Was 6648176 - A

16

6654329

OIL PAN 5 Main Bearing

17

BOLT NLA - Was 6649597 - A

18

6649598

WASHER

19

GASKET NLA - 3 Main Bearing - Was 6646512 - A

19

6654247

GASKET 5 Main Bearing

20

6646513

PLUG

21

6646547

GASKET

Выбрано товаров: 23