Запчасти Bobcat 500s BACK-UP ALARM ACCESSORIES & OPTIONS

Схема запчастей Bobcat 500s - BACK-UP ALARM ACCESSORIES & OPTIONS
FIT
1:1
100%

Артикул

Название

Примечание

Количество

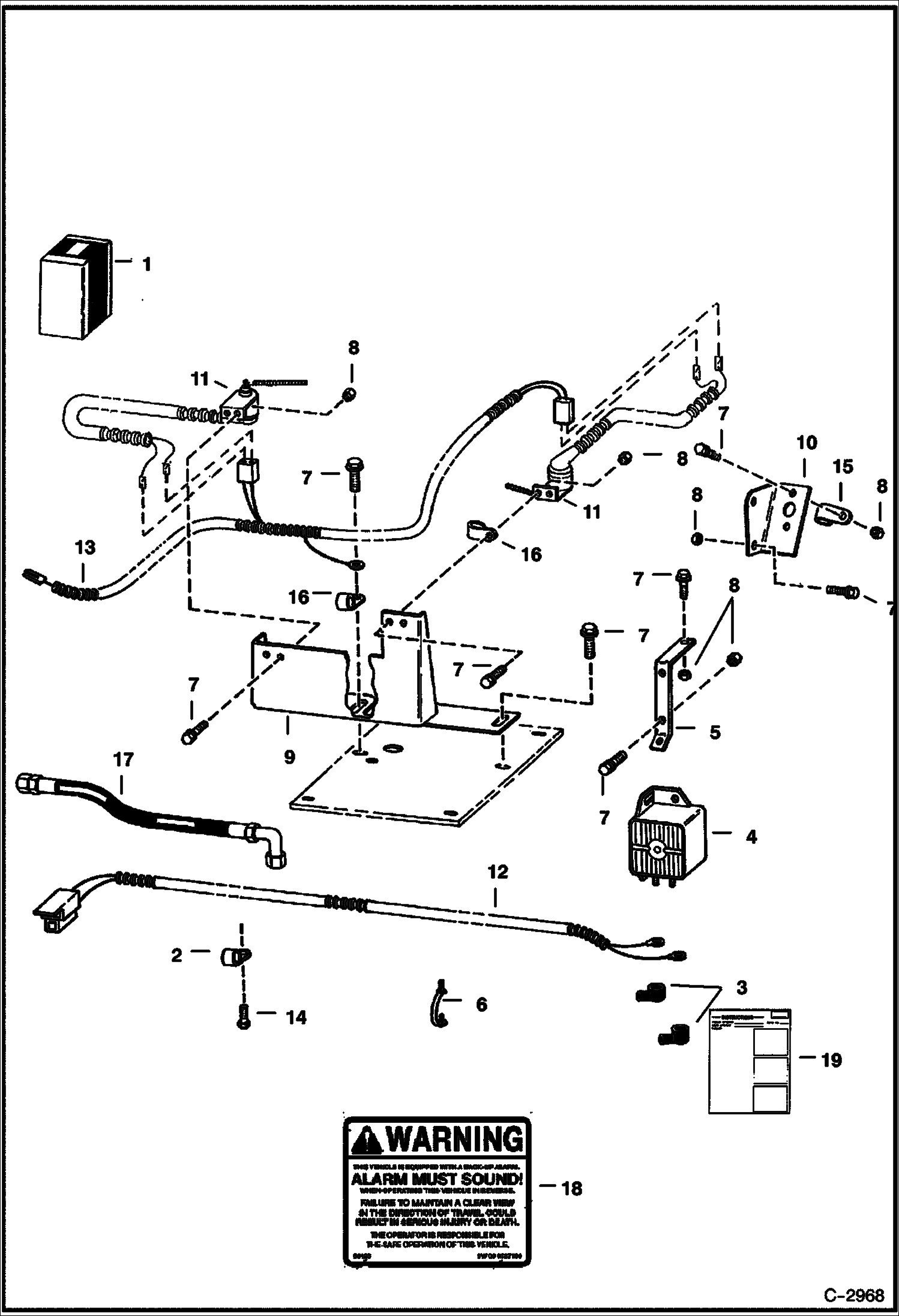
1

KIT NLA - back-up alarm - Order components - Ref. 2-19 - Was 6569839 - A

2

30H31

CLAMP 10

3

616334

COVER

4

6651512

ALARM, BACK-UP Was 6599931 - A

4

6668879

DECAL

5

6565275

BRACKET

6

CLIP NLA - Was 6513498 - A

7

35C512

BOLT

8

85D5

NUT 5

9

6565935

MOUNT

10

6565484

MOUNT

11

6579011

SWITCH Was 6557640 - A

12

6565500

HARNESS

13

6565936

HARNESS

14

84G3712

BOLT 5

15

30H15

CLIP

16

30H22

CLIP

17

6702181

HOSE

18

6737189

DECAL, WARNING backup alarm

19

6566572

INSTRUCTIONS

Выбрано товаров: 0