Качественные детали и логистика
Оригинальные и аналоговые запчасти с доставкой по России, Казахстану и Беларуси
©2022 PartSell ООО "Система" ИНН 2463123282 ОГРН 1212400004838
Центральный офис: г. Красноярск, Академика Киренского, д.87, пом.4
Телефон: 8 (800) 777-65-74 Email: zakaz@partsell.ru
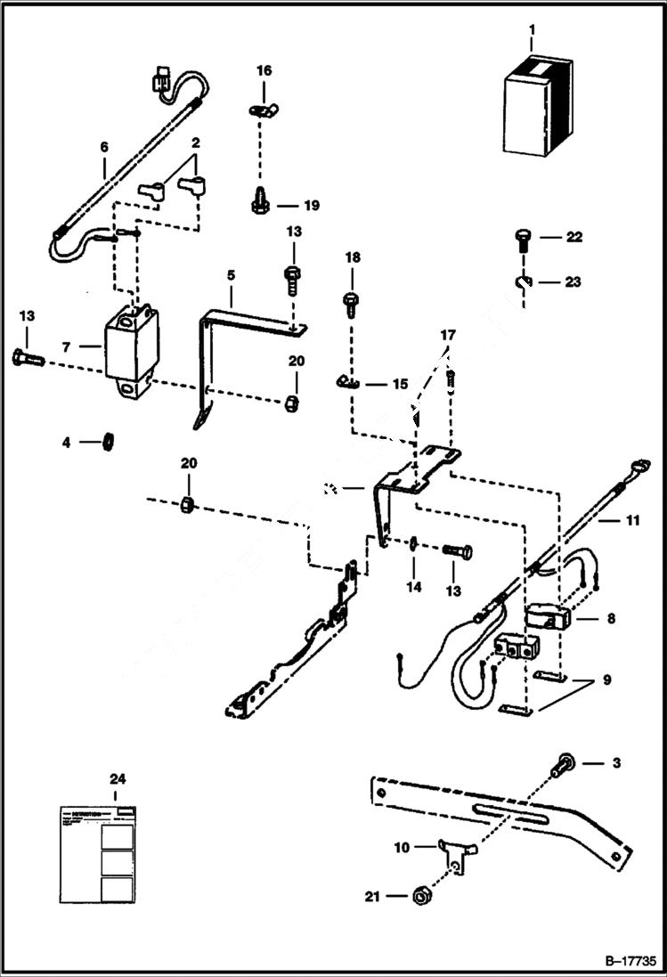
BACK-UP ALARM KIT (S/N 13182 & Above)
№
Артикул
Название
Примечание
Количество
1
6703978
KIT
2
616334
COVER
3
7C512
SCREW carriage
4
6557493
GROMMET
5
6565275
BRACKET
6
6565500
HARNESS
7
6651512
ALARM, BACK-UP Was 6599931 - A
6668879
DECAL
8
6646781
SWITCH
9
6702593
SPACER
10
6703974
11
6705736
12
6703976
MOUNT
13
17C512
BOLT 5
14
6E5
WASHER
15
30H22
CLIP
16
30H31
CLAMP 10
17
59G616
SCREW 10
18
84G3110
SCREW
19
84G3712
20
85D5
NUT 5
21
85D6
NUT, 5
22
17C410
BOLT 10
23
83D4
NUT 10
24
6720953
INSTRUCTIONS
Выбрано товаров: 0