Запчасти Bobcat 500s CAB DOOR (R.H. Hinged) ACCESSORIES & OPTIONS

Схема запчастей Bobcat 500s - CAB DOOR (R.H. Hinged) ACCESSORIES & OPTIONS
FIT
1:1
100%

Артикул

Название

Примечание

Количество

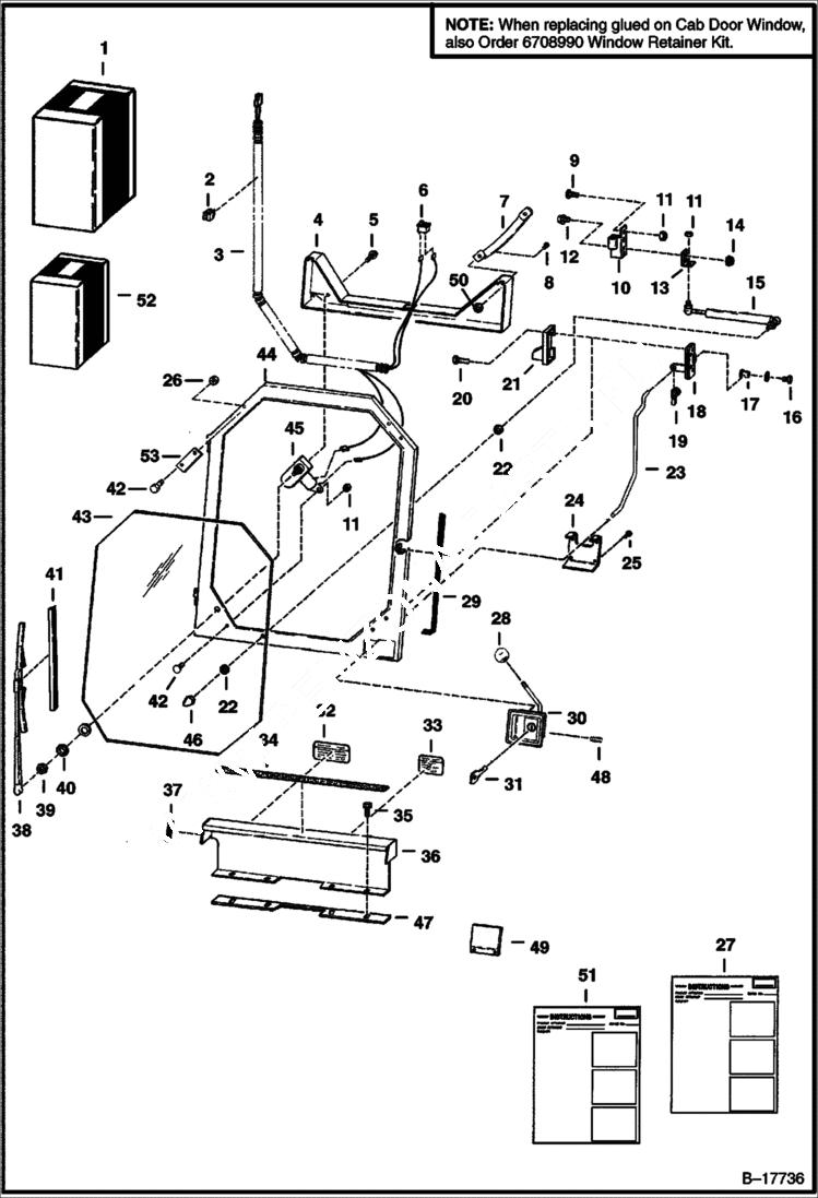
1

KIT NLA - cab door - Ref. 2-51- Order 6708973 Door Kit, 6709934 Shield Kit & 6708225 Harness - Was 6571845 - A

2

30H37

CLAMP

3

6568739

HARNESS

4

6704428

SHIELD Was 6576471 - A

5

84G3112

BOLT 5

6

6631009

SWITCH

7

6631935

HANDLE

8

7G416

BOLT Was 7G000412B - B

9

10C512

BOLT Was 6553808 - A

10

6571715

HINGE

11

83D5

NUT 5

12

35C412

BOLT

13

6568055

BRACKET

14

83D4

NUT 10

15

6630797

GAS SPRING

15

6632221

STUD ball

15

2756257

CLIP spring

16

17C712

BOLT

17

6568047

NUT bushing

18

6660932

LATCH Was 6630614 - A

19

6519480

CLIP Was 6512274 - D

20

35C416

BOLT

21

6568728

SHIELD

22

25E16

WSHR

23

6704425

ROD Use with new style latch - Was 6576470 - A

24

6704426

RETAINER Was 6576474 - A

25

45G1008

BOLT

26

61D5

NUT

27

6724279

INSTRUCTIONS

28

6647635

KNOB

29

6568704

MOULDING bulk - Sold Per Foot

30

6641274

LATCH

31

6632560

KEY

32

6579510

DECAL Was 6575854 - A

33

6563410

DECAL

34

6564833

SAFETY TREAD

35

35C520

BOLT

36

6568164

SHIELD

37

6555351

SEAL bulk - sold per foot

38

6631008

ARM

39

NUT NSS

40

SEAL NSS

41

6630943

BLADE wiper

42

25G510

BOLT

43

6568705

WINDOW .25 in Plastic - SEE NOTE - Was NSS - D

44

6704430

DOOR W/O window - Was 6704431 - A

45

6620642

MOTOR W/Ref. 39 & 40

45

GEAR NLA - Was 6631927 - A

45

961528

PK PARTS

45

6631928

SHAFT

46

46D5

NUT

47

6569352

SPACER

48

6662834

SPRING

49

6568620

COVER

50

7160765

NUT Was 6660988 - A

51

6570264

INSTRUCTIONS

52

6708990

KIT window retainer - Ref. 42 & 53-55

53

6708850

RETAINER

Выбрано товаров: 58